SMPS는 요즘 많은 전자기기의 전원 공급원으로 매우 널리 쓰이고 있다. 보통 사용되는 전압의 범위는 DC 수십 볼트 혹은 그 이내이다. 진공관 앰프용으로 이를 사용하는 것은 어떨까? 무거운 전원 트랜스를 대체할 수 있을 것이라는 생각에 7월부터 이 실험을 시작하였다. 다양한 종류의 기성품 SMPS가 주변에 널려있지만 진공관 앰프 회로에 필요한 250 V 혹은 그 이상의 직류 전압을 출력하는 SMPS는 찾기가 대단히 어렵다. 그래서 제이앨범 사이트의 도움으로 이를 자작하기에 이르렀다. 일본에서 키트 혹은 완제품으로 팔리는 PCL86 싱글 앰프 TU-8100은 어댑터로 공급되는 DC 12 V를 내부에서 전환하여 사용한다고 들었다(인버터 사용). 이 주제와 관련하여 제이앨범 사이트에 내가 지속적으로 작성한 글을 소개한다.
다음의 제작 목표는 SMPS 활용 전원회로?
바로 어제까지의 실험을 통해서 하나의 SMPS에서 히터와 B전원을 전부 공급하는 것이 가능함을 확인하였다. 아래 사진은 가장 마지막에 만들어진 출력용 정류 및 평활회로 모듈이다. 브리지 정류 및 배전압 정류가 모두 가능하다.
히터용으로 꼭 맞게 전압을 조정하는 일이 아직 남았다. 두 가지의 고주파 트랜스를 가지고 실험을 진행해 왔는데, 권선수가 서로 달라서 최종 선정된 트랜스에서는 아직 정수배로 2차 선을 감았을 때 딱 6.3 V가 나오게 만들지를 못하였다. 두 번 감으면 6 V를 겨우 넘고, 세 번 감으면 훨씬 넘는다. 적절히 저항을 삽입하거나 에나멜선 위치를 절묘하게 뽑아 고정하여 6.3 V를 만들거나 해야 되겠다.
SMPS 자작을 통해서 전력 전자공학의 아주 작은 부분에 대한 이해의 폭을 넓힌 것에서 큰 보람을 느끼고 있다. 만약 내가 작성한 실험기를 전문가가 본다면 매우 한심하고 또 위험하다고 평가할지도 모른다. 특히 가장 어려운 것은 트랜스를 설계하고 감는 일이다. 흘릴 전류에 맞추어 에나멜선의 두께를 선정하고, 권선수와 비율을 결정하고, 감는 방식을 결정하고(1차를 둘로 나누어 감고 사이에 2차를 넣을 것인가, 둘로 나누어 감은 1차 권선을 직렬 혹은 병렬로 연결할 것인가, 혹은 1차를 다 감고나서 그 위에 2차를 감을 것인가, 감기 시작/끝 위치와 보빈의 핀은 어떻게 일치시킬 것인가), 절연 대책을 세우고, 발열이 심할 경우에 대비하고...
안전에 극도로 주의하자. 나는 300 V에 가까운 고전압을 다루고 있음을 명심해야 한다! 이번 주말까지는 현재 사용하는 6N1+6P1 싱글 앰프에 자작 SMPS를 실장하여 넣는 것까지가 목표이다.
2018년 8월 30일 목요일
2018년 8월 28일 화요일
Genome Pair Rapid Dotter, GEPARD
Gepard는 독일어로 '치타(cheetah)'라고 한다. 3 초만에 시속 100 km의 속도를 낸다는 바로 그 치타를 말한다.
2007년에 발표된 소프트웨어에 관한 글을 2018년에 쓴다는 것이 참 부끄럽다(PubMed 링크; 공식 웹사이트 링크). 항상 박테리아 유전체의 1:1 alignment를 할 때에는 MUMmer를 기계적으로 사용하여왔고, 아주 가끔 Mauve를 썼었다. MUMmer는 알고리즘적으로 더 이상 손을 댈 필요가 없을 정도로 완벽한 프로그램이다. 대신 결과를 그림으로 만든 다음 대화식으로 조작하는 것이 불편하다. Gnuplot 문법을 잊지 않게 해 주는 일등공신이 바로 MUMmer이다. 결과물을 그래픽 파일로 저장하려면 스크립트 파일을 조금 건드려야 하기 때문이다. 오늘 소개할 Gepard는 MUMmer와 비슷하게 suffix-structure 기반의 데이터 구조를 활용한다고 한다.
외부에서 입수한 유전체 분석 데이터를 검토하다가 Gepard로 그린 그림이 있어서 직접 써 보기로 했다. jar 파일이라 설치라고 할 것도 없었다. 두 개의 파일을 업로드하고, 직관적으로 조작을 하면 된다. 특정 영역을 상세하게 보고 싶으면 마우스로 해당 부분을 드래그하여 표시를 한 다음 확대경 버튼을 클릭하는 것으로 충분하다.
MUMmer와 다른 점이 있다면 alignment를 생성하는 기능이 제한적이고, 이를 위한 파라미터 설정이 다양하지 않다는 것 정도이다. 다시 말해서 dot plot viewer의 기능에 매우 충실한 프로그램이다.
Genome 비교를 위한 dot plot viewer 소프트웨어에 새로운 것은 없는지 구글을 뒤적이다가 다음과 같은 웹문서를 발견하였다. 2018년에 게시된 글이니 꽤 최근의 것이라 할 수 있다.
DOT: an interactive dot plot viewer for comparative genomics
이는 DNAnexus 안에서 돌아가는 프로그램이라고 한다. DNAnexus란 무엇인가? 웹사이트의 소개글을 읽어보았다. 유전체 데이터와 도구를 관리하고 공유하는 클라우드 기반의 서비스 제공 회사로서 2009년 스탠포드 대학에서 스핀오프 형태로 창립되었다고 한다. 요즘은 유전체 데이터를 저장하고 분석하기 위한 서버를 직접 구축하는 것이 아니라 클라우드 상에서 subscription 기반으로 필요한 때에 필요한 도구/스토리지를 할당받아 사용하는 서비스가 늘어나고 있는 추세이다. Google Genomics(링크)도 마찬가지 개념의 서비스로 이해하면 될 것이다. 말하자면 Galaxy의 상용 버전 비슷한 것이라고 여기면 된다.
Dot plot program은 생물정보분석의 매우 고전적인 사례인데, Gepard를 처음으로 써 보다가 최신 트렌드인 cloud computing을 이용한 유전체 데이터 분석 서비스까지 이르게 되었다. 도대체 어떤 서비스가 존재하는가? 게으른 사람의 솔루션 - 2018년 최신 리뷰 논문을 하나 읽어보자.
Cloud computing for genomic data analysis and collaboration. Nature Genetics Review 2018 19(4):208-219. [PubMed]
2007년에 발표된 소프트웨어에 관한 글을 2018년에 쓴다는 것이 참 부끄럽다(PubMed 링크; 공식 웹사이트 링크). 항상 박테리아 유전체의 1:1 alignment를 할 때에는 MUMmer를 기계적으로 사용하여왔고, 아주 가끔 Mauve를 썼었다. MUMmer는 알고리즘적으로 더 이상 손을 댈 필요가 없을 정도로 완벽한 프로그램이다. 대신 결과를 그림으로 만든 다음 대화식으로 조작하는 것이 불편하다. Gnuplot 문법을 잊지 않게 해 주는 일등공신이 바로 MUMmer이다. 결과물을 그래픽 파일로 저장하려면 스크립트 파일을 조금 건드려야 하기 때문이다. 오늘 소개할 Gepard는 MUMmer와 비슷하게 suffix-structure 기반의 데이터 구조를 활용한다고 한다.
외부에서 입수한 유전체 분석 데이터를 검토하다가 Gepard로 그린 그림이 있어서 직접 써 보기로 했다. jar 파일이라 설치라고 할 것도 없었다. 두 개의 파일을 업로드하고, 직관적으로 조작을 하면 된다. 특정 영역을 상세하게 보고 싶으면 마우스로 해당 부분을 드래그하여 표시를 한 다음 확대경 버튼을 클릭하는 것으로 충분하다.
MUMmer와 다른 점이 있다면 alignment를 생성하는 기능이 제한적이고, 이를 위한 파라미터 설정이 다양하지 않다는 것 정도이다. 다시 말해서 dot plot viewer의 기능에 매우 충실한 프로그램이다.
Genome 비교를 위한 dot plot viewer 소프트웨어에 새로운 것은 없는지 구글을 뒤적이다가 다음과 같은 웹문서를 발견하였다. 2018년에 게시된 글이니 꽤 최근의 것이라 할 수 있다.
DOT: an interactive dot plot viewer for comparative genomics
이는 DNAnexus 안에서 돌아가는 프로그램이라고 한다. DNAnexus란 무엇인가? 웹사이트의 소개글을 읽어보았다. 유전체 데이터와 도구를 관리하고 공유하는 클라우드 기반의 서비스 제공 회사로서 2009년 스탠포드 대학에서 스핀오프 형태로 창립되었다고 한다. 요즘은 유전체 데이터를 저장하고 분석하기 위한 서버를 직접 구축하는 것이 아니라 클라우드 상에서 subscription 기반으로 필요한 때에 필요한 도구/스토리지를 할당받아 사용하는 서비스가 늘어나고 있는 추세이다. Google Genomics(링크)도 마찬가지 개념의 서비스로 이해하면 될 것이다. 말하자면 Galaxy의 상용 버전 비슷한 것이라고 여기면 된다.
Dot plot program은 생물정보분석의 매우 고전적인 사례인데, Gepard를 처음으로 써 보다가 최신 트렌드인 cloud computing을 이용한 유전체 데이터 분석 서비스까지 이르게 되었다. 도대체 어떤 서비스가 존재하는가? 게으른 사람의 솔루션 - 2018년 최신 리뷰 논문을 하나 읽어보자.
Cloud computing for genomic data analysis and collaboration. Nature Genetics Review 2018 19(4):208-219. [PubMed]
2018년 8월 27일 월요일
SMPS 실험 - 300 볼트 이상의 고전압을 뽑아내자!
진공관 회로가 특히 다루기에 까다롭고 위험한 것은 애노드(플레이트)에 걸리는 놓은 직류 전압(+) 때문이다. 이를 B 전원, B supply, 혹은 B+라고도 한다. B 전원이라는 이름은 과거에 배터리로 작동되던 진공관 증폭기 회로에 쓰던 명칭이 그대로 이어져 내려온 것이라고 한다.
- A supply: 필라멘트(히터)
- B supply: high voltage
- C supply: bias
- D supply: screen grid
소출력의 싱글 엔디드 앰프에서 필요로하는 B 전원은 보통 +250~330 V 정도가 된다. KT88 앰프에서는 무려 400 볼트가 필요하다. 이것을 자작 SMPS로 해결하자는 것이 나의 목표이다. 히터 전원 공급 실험은 이미 성공하였다(지난번 게시글 'SMPS를 이용한 진공관 히터 점화' 링크).
B 전원의 전압은 매우 높다 하더라도 전류는 100~200 mA 수준이다. 내가 만들었던 중국제 6N1+6P1 싱글 엔디드 앰프에서는 230 V - 0 V - 230 V를 양파 정류한 뒤 120 mA 초크를 거쳐서 B 전압을 얻는다. 정류 다이오드에 의한 전압 강하를 무시한다면 평활회로를 거친 뒤 출력되는 전압은 230 V x 1.414(√2) = 325.22 V인데 이는 이론적인 값으로서 부하를 걸면 더 내려간다. 실제로 디지털 멀티미터로 찍어본 경험에 의하면 290 V 이상 나온 적이 없었던 것으로 기억한다. 어쨌든 300 볼트, 150 mA 정도를 목표로 하면 될 것이다.
내가 만드는 SMPS는 2 x 50V 350W for Audio Power Amplifier를 기반으로 한 것이다. 최초에 이 회로를 제안한 것은 체코의 Dan이다(링크). 사용할 고주파 트랜스포머의 페라이트 코어 규격에 대해서는 별 말이 없다. 단 권선법에 대해서는 다음과 같이 설명하였다.
- 직경 0.6 mm 에나멜선 사용
- 1차 20회를 먼저 감고 절연 테이프를 감은 뒤 그 위에 2차(14회 + 센터탭 + 14회)를 감는다
- 다시 절연 테이프를 두른 뒤 1차 20회를 더 감는다. 1차를 두 번 나누어 감되 그 사이에 2차 권선을 끼워넣는 이른바 샌드위치 감기이다.
에나멜선의 직경에 따른 허용 전류를 알아보자. 아래에서 나열한 것 중에 가장 가는 것을 써도 200 mA는 충분히 견딘다. 물론 한가지 주의할 것은 있다. 내가 승리케이블에서 0.3 mm 및 0.7 mm 에나멜선을 구입했는데 이것이 코팅을 포함한 두께인지, 혹은 동선만의 두께인지를 잘 모르겠다.
- AWG 23(0.644 mm): 2.2 A
- AWG 24(0.511 mm): 0.588 A
- AWG 25(0.455 mm): 0.477 A
- AWG 26(0.405 mm): 0.378A
- [중략] AWG 29 (0.286 mm): 0.212 A
6N1+6P1 싱글 엔디드 앰프의 전원은 100 와트로 충분할 것이다. 친절한 Jalbum 회원님을 통해 얻은 고주파 트랜스포머용 페라이트 코어와 보빈은 종 두 가지가 있는데, 큰 것은 대략 300 와트, 작은 것은 100 와트가 나온다고 하였다. 작은 것의 규격은 아래 그림을 기준으로 하여 대충 측정하였을 때 A = 28 mm, B = 21 mm, C = 11 mm 정도가 되었다.
마침 직경 0.5 mm를 조금 넘는 에나멜선이 있어서 이를 사용하기로 하였다. 2차에 정확히 얼마를 감아야 할지 알 수가 없으니 1차를 40회 전부 감고 그 위에 2차를 50회로 감아보았다. 만약 (1차 권선 수) = (2차 권선 수)로 한다면 1차에서 220 V를 브리지 정류하여 얻은 직류가 이론적으로는 거의 그대로 2차에 걸릴 것이니, 2차에서 300 V 이상을 얻기를 원한다면 1차보다 더 많은 횟수를 감야야 할 것이라고 생각한 것이다(뒤에서 밝히겠지만 이것은 착각이었다. 2차를 훨씬 더 많이 감아야 한다!). 정렬 권선을 하려고 무척 애를 썼지만 보빈과 밀착되는 첫번째 층을 제외하고는 또 실패하였다. 게다가 보빈의 내부 높이가 딱 10 mm에 불과하여 한 층에 도저히 20회를 감을 수가 없었다. 꼭 그래야 하는 것은 아니었지만...
정렬 권선을 하지 못하였으니 2차까지 다 감은 뒤에는 권선의 두께가 고르지 못하여 코어에 끼우는 것이 쉽지 않았다. SMPS 설계에서 가장 어려운 것이 트랜스포머 설계라고 한다. 내가 아무런 개념도 없이 너무 쉽게 접근하는 것은 아닐까! G. K. Agrawal 선생의 동영상 강좌 "SMPS transformer working concept tutorial"을 감상해 보자.
여기까지 한 뒤에 SMPS 회로에 연결하고 2차를 오실로스코프로(Tektronix TDS 210) 측정해 보았다. 값이 좀 이상하다. 왜 그럴까. 아마도 2차 전압이 너무 높아서 오실로스코프의 측정 범위를 넘어가는 것이 아닐까하는 생각이 들었다. TDS 210의 측정 범위는 RMS 300 V이다. 고주파 트랜스 2차에서는 이보다 높은 전압이 나올 것이 뻔하다.
혹시 너무 높은 전압을 걸어서 오실로스코프가 이상해지지는 않았을까? 지난주에 실험했던 다른 트랜스포머를 연결해 보았다. 2차에 연선을 3회 감아서 6.3 V 정도를 만들었던 바로 그 트랜스포머이다. 연선을 풀어서 2회를 만든 뒤 오실로스코프를 찍어 보았다. 4점 몇 볼트가 나온다. 오실로스코프가 망가지지는 않았다.
만약 2차 전압이 수십 볼트 수준이라면 수십 kHz의 고주파라 하여도 오실로스코프로 정확하게 실효치를 얻을 수가 있다. 그러나 38 kHz, > 300 V의 square wave를 도대체 어떻게 제대로 측정한단 말인가? 정류를 해서 DC로 만든 다음 디지털 멀티미터로 측정하는 것 말고는 다른 방법이 없어 보인다. 다음의 회로(DC 70 V용 버전)을 참조하여 고주파 트랜스포머 2차에 정류회로를 만들어야 한다. 전해 캐패시터의 내압은 최소 200 V는 되는 것으로(두 개를 직렬로 연결할 것이므로) 바꾸어야 한다.
![]() |
| 고속회복 다이오드 UF4007을 사용하였으며 가장 마지막의 저항은 27K 5W로 바꾸었다. |
회원께서 보내주신 기판에는 200 V 220 uF 캐패시터 두 개를 활용한 전파 정류회로가 있을 뿐이다. 이것을 직렬로 연결하면 내압을 높일 수는 있다. 이렇게 해서라도 실험을 진행해야 되겠다. 그리고 PC용 power supply에서 적출한 초크를 이용하여 고주파 노이즈 필터로 사용해야 한다. 감긴 횟수는 그다지 중요하지 않다고 들었다. 총 32 회 감이로 두 개의 초크를 맞추었다. 왼쪽 것은 두 층으로 감긴 것을 일부 풀어내고 다시 감았더니 에나멜선이 꽤 두꺼워서 모양이 고르지 않게 되었다. 오른쪽 것은 두 둘의 에나멜선이 겹쳐서 총 16회를 감은 형태이다. 서로 다른 가닥의 시작과 끝을 연결하면 32 회 감은 것과 같아진다.
출력용 정류회로를 만들다
너무나 간단한 회로라서 실수를 할 여지는 거의 없지만 전원을 넣기 전까지 거듭 확인을 하였고, 200 V:13 V x 2 전원트랜스를 연결하여 직류가 제대로 출력이 되는지를 점검하였다. 특별한 문제가 없다고 판단되어 앞부분의 SMPS 회로와 고주파 트랜스를 연결하고 출력 전압을 디지털 멀티미터로 측정하였다.
출력은 약 166 볼트에 불과하다. 40 와트 백열등을 연결하여 점등이 되는 것을 확인하였다. 부하가 연결된 상태에서도 출력 전압은 거의 변동이 없었다.
고주파 트랜스를 40회:50회로 감았는데 최종 DC 출력이 160 V에 불과하다니! 1차 정류회로에서 약 280 V의 직류가 생성되었고 트랜스 권선비가 1:1.25이므로 당연히 2차 DC 출력이 300 V는 될 것이라고 예상했었다.
그런데 이는 잘못 생각한 것이었다. 220 V를 정류하면 이론적으로는 220 x √2 = 311 (V)가 나온다. 하지만 나의 실험 결과로는 항상 280 V 수준이었다. 이를 스위칭하면 전압의 중점을 기준으로 방향을 바꾸는 것이므로 +140 ~ - 140 V의 사각파가 만들어져서 고주파 트랜스의 1차로 들어간다. 그러면 권선비에 의해서 140 x 1.25 = 175 (V)의 직류가 출력된다. 166 V 정도가 측정된 것은 너무나 당연한 것이었다. 사각파 교류이므로 최대치가 실효치와 (거의) 같을 것이다.
2 x 50V 350W for Audio Power Amplifier에서도 예상 출력 전압을 계산해 보자. 공급 전압은 230 V, 권선는 40:28(1:0.7)이다. 일차 정류회로의 출력은 DC 325 V이고 고주파 트랜스로 들어가는 사각파는 +162.5 ~ -162.5 V이다. 권선비를 곱하면 113.8 V 정도인데 원본 사이트에서는 +50V ~ -50V로 표현하였다. 내 예상과 다르지 않다.
SMPS로 300 V 정도의 직류를 얻으려면 고주파 트랜스의 권선비는 1:2.14 정도가 되어야 한다. 1차를 40회로 고정한다면 이번 실험에 사용한 트랜스로는 어림도 없다! 40회:50회를 감는 것만으로 보빈이 꽉 차서 코어를 끼우기가 쉽지 않았기 때문이다. 따라서 배전압 정류회로를 쓰는 것이 유리할 것이다.
배전압 정류회로에 대해서는 KDK Labs에 좋은 자료가 많고, Jalbum에서도 이를 기본 전원회로로 소개하고 있다. 물론 이것은 일반적인 60 Hz 상용 전원에 대한 자료이다. KDK님은 특히 Rt의 필요성을 강조하고 있다.
SMPS에서 출력되는 고주파에도 이를 그대로 적용해도 되는가? 만약 그렇다면, RF noise 방지용 초크는 어디에 삽입해야 하는가? 이것이 나의 다음번 숙제이다.
2018년 8월 25일 토요일
독서 기록 - <실패는 나의 힘>외 네 권
실패는 나의 힘(The Power of Failure Tolerance)
- 김아영 지음
대부분의 사람들에 현실은 지극히 공평하며, 무수한 실패와 이따금씩 벌어지는 성공의 연속에 다름아니다. 그럼에도 불구하고 실패는 인간을 피폐하게 만드는 것으로서 절대적으로 기피해야 한다는 행동주의 강화이론(reinforcement theory)이 널리 퍼지면서 사람들의 심리상태와 행동방식을 지나치게 왜곡하기에 이르렀다. 우리에게 필요한 것은 실패하지 않을 길을 골라서 가는 것이 아니라 실패 내성을 키워가는 것이다.
인간은 필요없다(Humans Need Not Apply)
- 제리 카플란 지음|신동숙 옮김
이 책은 도서관 신간코너에 새롭게 마련된 <4>코너에서 찾은 것이다. 전국민이 아직 제대로 개념 정립도 되지 않은 4차산업혁명을 알지 못하면 뒤쳐질세라 이렇게까지 몰두하는 나라는 아마 전세계에 없을 것이다. 게다가 국가과학기술연구회에서는 '출연(연) 4차 인재양성 과정'이라는 프로그램을 만들기까지 하였다.4>
대단히 마음에 들지 않는 '4차산업혁명'의 기반을 이루는 기술은 바로 인공지능이다. 과거의 산업혁명에서는 산업 재편에 따른 기존 산업 종사자의 아픔이 있었지만 전반적으로 부가 증대되었고 생활과 기술수준이 혁명적으로 변화했음을 부정할 수 없다. 그러나 이번의 산업혁명(과연 이런 용어를 갖다 붙이는 것이 옳았는지는 100년쯤 지난 뒤에 알게 될 것이다)은 기존의 일자리가 무서운 속도로 줄고, 이러 말미암아 얻어지는 수혜는 극소수 자본가에게 돌아갈 것이 분명하다. 아니, 인공지능 자체가 법인에 버금가는 법적 지위를 얻고 자기 앞으로 부를 축적할 날이 올지도 모른다.
책의 마지막 부분에서는 결국 부의 공평한 분배에 관한 몇 가지 아이디어를 제시하고 있다. 가장 기초적인 것은 공익지수가 높은 기업에 법인세 감면 혜택을 주는 것이다. 공익지수란, 잘 알려진 소득의 지니계수를 금융자산(주식과 채권)에 대해 적용한 것이라 보면 된다. 이렇게 혜택을 본 기업은 주식을 더 많은 사람에게 판매하기로 결정한다. 즉 일정 기간(예를 들어 5년)동안 주식을 보유하는 것을 조건으로 주식을 처음으로 매입하는 신규 고객에게 할인된 금액에 주식을 판매하고, 새로운 주주를 모집한 증권판매인이게는 장려금을 지급하는 것이다.
인공지능이 앞으로 어떤 세상을 펼치게 될지는 아무도 모른다. 미국 현지에서는 IMB의 Watson for Oncology에게 학습용으로 투입할 데이터가 부족해지면서 회의론이 부상하고 있다는 뉴스가 나올 지경이니 말이다(AI의사 가르칠 '데이터'가 없다...수조원 쏟은 왓슨도 '위기').
두 얼굴의 베트남
- 심상준·김영신 지음
무엇이 베트남의 두 얼굴이라는 뜻인가? 바로 갈대와 강철 같은 모습이 혼재한다는 것이다. 대나무 울타리도 둘러쳐진 모든 촌락이 하나의 소국가와 같으면서 그 안에서는 끈끈한 공동체 정신으로 뭉쳐져 있다는 뜻이다. 오랜 탄압을 받으면서도 중국에 대해서는 대등한 의식을 고수해왔고, 세계 열강등과 혹독한 전쟁을 치르면서도 결국 그들의 땅을 지켜왔다. 어떠한 지정학적 위치와 환경, 역사적 배경이 이러한 현재의 베트남을 낳았을까? 베트남과의 건설적인 동반자적 관계를 위해 우리에게 부족했던 베트남 문화에 대한 이해를 도와주는 책이다.
대한민국 프레임 전쟁
- 미디어오늘 지음
이 책의 부제인 <뉴스로 뉴스를 덮는 언론을 말하다>가 모든 것을 다 말해주고 있다. '우리가 남이가!'로 너무나 유명한 초원복집 사건을 떠올려 보자. 지역 기관장들의 부정선거 모의가 엉뚱하게도 불법도청 사건으로 변질되지 않았던가? 강기훈 유서대필 사건, 해방 이후 찬탁 대 반탁 갈등, YH 노동자 투쟁사건, 박종철 고문치사 사건, 황우석 줄기세포 논문조작 사건, 그리고 매우 최근의 박근혜-최순실 국정농단 사건에 이르기까지 15개의 사건을 통해서 돌이켜보는 부끄러운 언론과 정권의 역사를 상세히 파헤치고 있다.
아직도 책을 읽는 멸종 직전의 지구인을 위한 단 한권의 책(One for the Books)
- 조 퀴넌 지음 | 이세진 옮김
자유기고가인 조 퀴넌은 책을 맘대로 읽기 위해서 남들이 꺼리는 굴뚝 청소 아르바이트를 일부러 택해서 했다고 한다. 굴뚝 아래에서는 청소가 제대로 되었는지 알 길이 없으니 적당히 쿵쾅거리며 소리를 내서 일을 하는 척 한고는 F. 스콧 피츠제럴드를 읽었다고 한다. 첫 장의 제목은 '책만 읽고 살면 소원이 없겠네'일 지경이니 그의 독서열을 짐작할만하지 않은가? 저자는 거의 전적으로 픽션만을 읽는다고 했는데, 국내에는 번역되어 나오지 않은 것이 틀림없는 책들이 너무 많이 소개되어(내가 문학과 독서를 등한시해서 미처 알지 못하는 것일지도 모른다) 읽는 내내 조금 불편함이 느껴졌다.
서점에서 직접 책을 사고, 이러는 과정을 통해 인연을 맺고, 또 한동안 연락이 끊긴 사람을 이렇게 하여 다시 만나게 되고... 그래서 4장은 '킨들로는 어림도 없지'가 아니겠는가?
쓸만한 국산 만년필은 없는 것일까
현재 만년필을 생산하는 국내 제조사는 자바펜과 모나미 정도이다. 국산 만년필의 대명사였던 아피스는 거의 문을 닫은 것이나 마찬가지 상태라고 한다. 구글을 뒤져보면 부산의 공장까지 직접 찾아갔던 열성적인 사람들이 남긴 기록이 있다. 2018년도에 작성된 글을 보면 문이 당힌 공장 앞에서 발길을 돌려야 했다고 한다,
부산 아피스 공장 방문기(2014년)
아피스만년필 공장 견학 실패기(2018년)
모나미는 그 유명한 153 볼펜의 디자인을 계승한 153 네오 만년필을 최근 내놓았다. 컬러풀한 플라스틱 몸체를 보면 라미의 '사파리'를 경쟁상대로 겨냥하여 출시한 것으로 여겨진다. 매장에서 실물을 보기는 하였으나 중년의 남자에게는 별로 어울리지 않는 필기구라 여겨졌다. 사무실 책상 위 필통에 꽂아두고 손에 잡히는대로 가볍게 쓸 메모용으로 구입하는 것은 괜찮을 것 같았다. 그러나 이런 용도로는 이미 펠리칸의 트위스트가 자리를 잡은 상태이다.
모나미에서는 올리카라는 저가형 만년필도 만든다. 이것은 플래티넘의 프레피 만년필에 대적하기 위한 것일까? 일회용이라는 느낌이 강하다. 모닝글로리의 캘리캘리펜/스마일캘리 등도 국산 만년필의 대열에 넣을 수 있다. 그러나 금속 본체를 사용한 본격적인 만년필을 만드는 국내 브랜드라면 자바펜뿐이다. 안타깝게도 닙은 수입을 하는 것으로 알려져 있다.
대형 문구매장에 들었다가 자바펜의 최상위급 만년필인 로얄 플래티늄을 권장소비자가의 절반 가격인 35,000원에 세일을 하는 것을 발견하였다. 황동 몸체를 백금으로 도금한 '고급' 제품이다.
이 정도의 가격이라면 부담 없이 구입하여 써도 되겠다고 생각하고 제품을 찬찬히 둘러보았다. 진열장 위에 꺼내진 제품은 그러나 배럴의 도금상태가 좋지 않았다. 마치 길이 방향으로 길게 줄이 간 것처럼 도금이 제대로 되지 않은 흔적이 보였다. 진열품이라 그런가? 바로 곁에 쌓여있는 박스를 열어보았다.
너댓개 정도의 상자를 열어보았는데 놀랍게도 전부 배럴에 입혀진 은색이 균일하지 않았다. 쓰다보면 도금이 조금씩 벗겨지기야 하겠지만, 새 제품이 이래서야 되겠는가. 구입을 포기하고 말았다. 예전에 자바펜의 저가 제품을 써 본 일이 있다. 몸체가 비교적 가늘어서 쥐기가 편하고 필기감도 좋은 편이었으나 래커 도장이 부풀면서 벗겨지는 일이 있었다. 그래도 국산품을 애용하겠다는 생각에 한번쯤은 자바펜의 고급 제품을 써 봐야겠다는 마음을 늘 품고 있었다.
요즘 주력으로 쓰는 만년필은 파커 IM 프리미엄 배큐매틱(핑크)이고, 필기하면서 분위기를 바꾸거나 강조할 부분이 있으면 파랑색 계열의 잉크를 채운 쉐퍼 VFM NT를 가끔 꺼내어 사용한다. 워터멘 Phileas는 장기 휴식 상태.
자작 SMPS에 사용할 고주파 트랜스포머를 감다가 포기하고 말았다. 1차쪽에 40 회 정도만을 감으면 되는 일이라서 아주 쉽게 생각했었는데 보빈이 매우 작고 에나멜선이 두꺼우니까 도대체 마음처럼 밀착이 되게 감기지를 않는 것이었다. 권선기를 쓰지 않고 완전 수작업으로 감으려미 몇 번을 감았는지 알기도 어렵다. 겨우 40 번 감으면서 몇 번 감았는지가 헷갈린다는 것이 이해가 되지 않을지도 모른다. 감다가 중간에 멈추고 에나멜선을 밀착하기를 반복하보면 그렇게 된다. 서너차례 감고 풀고를 반복하가다 그만 두고 말았다. 오늘의 아날로그 라이프는 이것으로 마감한다!
부산 아피스 공장 방문기(2014년)
아피스만년필 공장 견학 실패기(2018년)
모나미는 그 유명한 153 볼펜의 디자인을 계승한 153 네오 만년필을 최근 내놓았다. 컬러풀한 플라스틱 몸체를 보면 라미의 '사파리'를 경쟁상대로 겨냥하여 출시한 것으로 여겨진다. 매장에서 실물을 보기는 하였으나 중년의 남자에게는 별로 어울리지 않는 필기구라 여겨졌다. 사무실 책상 위 필통에 꽂아두고 손에 잡히는대로 가볍게 쓸 메모용으로 구입하는 것은 괜찮을 것 같았다. 그러나 이런 용도로는 이미 펠리칸의 트위스트가 자리를 잡은 상태이다.
모나미에서는 올리카라는 저가형 만년필도 만든다. 이것은 플래티넘의 프레피 만년필에 대적하기 위한 것일까? 일회용이라는 느낌이 강하다. 모닝글로리의 캘리캘리펜/스마일캘리 등도 국산 만년필의 대열에 넣을 수 있다. 그러나 금속 본체를 사용한 본격적인 만년필을 만드는 국내 브랜드라면 자바펜뿐이다. 안타깝게도 닙은 수입을 하는 것으로 알려져 있다.
대형 문구매장에 들었다가 자바펜의 최상위급 만년필인 로얄 플래티늄을 권장소비자가의 절반 가격인 35,000원에 세일을 하는 것을 발견하였다. 황동 몸체를 백금으로 도금한 '고급' 제품이다.
| 출처: 자바펜 웹사이트 |
이 정도의 가격이라면 부담 없이 구입하여 써도 되겠다고 생각하고 제품을 찬찬히 둘러보았다. 진열장 위에 꺼내진 제품은 그러나 배럴의 도금상태가 좋지 않았다. 마치 길이 방향으로 길게 줄이 간 것처럼 도금이 제대로 되지 않은 흔적이 보였다. 진열품이라 그런가? 바로 곁에 쌓여있는 박스를 열어보았다.
너댓개 정도의 상자를 열어보았는데 놀랍게도 전부 배럴에 입혀진 은색이 균일하지 않았다. 쓰다보면 도금이 조금씩 벗겨지기야 하겠지만, 새 제품이 이래서야 되겠는가. 구입을 포기하고 말았다. 예전에 자바펜의 저가 제품을 써 본 일이 있다. 몸체가 비교적 가늘어서 쥐기가 편하고 필기감도 좋은 편이었으나 래커 도장이 부풀면서 벗겨지는 일이 있었다. 그래도 국산품을 애용하겠다는 생각에 한번쯤은 자바펜의 고급 제품을 써 봐야겠다는 마음을 늘 품고 있었다.
요즘 주력으로 쓰는 만년필은 파커 IM 프리미엄 배큐매틱(핑크)이고, 필기하면서 분위기를 바꾸거나 강조할 부분이 있으면 파랑색 계열의 잉크를 채운 쉐퍼 VFM NT를 가끔 꺼내어 사용한다. 워터멘 Phileas는 장기 휴식 상태.
자작 SMPS에 사용할 고주파 트랜스포머를 감다가 포기하고 말았다. 1차쪽에 40 회 정도만을 감으면 되는 일이라서 아주 쉽게 생각했었는데 보빈이 매우 작고 에나멜선이 두꺼우니까 도대체 마음처럼 밀착이 되게 감기지를 않는 것이었다. 권선기를 쓰지 않고 완전 수작업으로 감으려미 몇 번을 감았는지 알기도 어렵다. 겨우 40 번 감으면서 몇 번 감았는지가 헷갈린다는 것이 이해가 되지 않을지도 모른다. 감다가 중간에 멈추고 에나멜선을 밀착하기를 반복하보면 그렇게 된다. 서너차례 감고 풀고를 반복하가다 그만 두고 말았다. 오늘의 아날로그 라이프는 이것으로 마감한다!
![]() |
| 0.7 mm 에나멜선 감기. 다시 풀어버리고 말았다. |
2018년 8월 24일 금요일
"교수님이세요?"
오늘은 국내 최고의 '생활문화기업'임을 자처하는 모 기업체가 주최하는 컨퍼런스에 참석을 하였다. 친구로부터 이 행사에 관한 소식을 뒤늦게 전해들었지만 이미 사전 참가신청이 마감된 상태였다. 뒤늦은 참가 신청이 가능한지 게시판에 글을 남겼고, 현장 등록이 가능하다는 연락을 받고서 매우 고마운 마음으로 이틀째 날 행사에 참석하기 위해 이른 출장길에 올랐다. 새벽 여섯 시가 채 되지 않은 이른 시각에 집을 나서야 했다.
[박노자의 한국, 안과 밖] '높으신 분' 없는 세상을 위하여!(2018년 8월 14일)
학부생은 약간의 소비자적인 입장에서 교수를 대하지만(비싼 등록금을 지불하므로 이에 해당하는 교육 서비스를 받을 권리가 있다), 대학원생은 교수에게 영원한 '을'이다. 그리고 교수들은 사회적으로도 존경을 받으며 정치적 입김을 불어넣을 기회도 많다. 출연연 종사자들에게 왕처럼 군림하는 중앙부처 공무원들도 교수들은 깍듯이 모시는 경우를 본 일이 있다. 왜 이런 일이 벌어지는가에 대해서 토론을 해 본 일이 있는데, 학교에서 교수로 있다가 공직에 오르는 일이 종종 있기 때문일 것이라는 것이 결론이었다. 출연연 종사자들은 과학기술계의 공직에 오르기는커녕 사회적으로 중요한 이슈에 대해서는 목소리를 내지도 못한다. 요즘은 국민의 폭넓은 지지도 별로 받지 못해서 대덕넷에는 걸핏하면 출연연을 없애라는 댓글이 올라온다. 'PBS제도 이대로는, 과학기술 역량 추락 막을 수 없어'라는 대덕넷 기사에 달린 댓글 잔치를 보라. 이런 글을 볼 때마다 속이 상함은 물론이요, 가끔은 출연연 내부에서도 이에 동조하는 자조적인 글을 올리는 것 같아서 더욱 안타깝다.
공부와 연구를 하는 집단은 교수와 학생만으로 이루어지는 것이 아니다. '연구원'이라는 이름으로 도매금으로 취급되는 집단에는 연구 프로젝트를 기획하고 책임지며 주도하는 연구책임자(Principal Investigator, PI), 실무를 담당하는 연구자(학사·석사·박사 등 다양), 그리고 연수생 등 매우 다양한 스펙트럼이 존재한다. 그리고 그 수가 그렇게 적은 것만도 아니다.
연구원이라고 뭉뜽그려서 부르는 집단 안에 전문성이나 직무에 따라 다양한 계층이 있고, 난 그 중에서 어느 수준 이상에 이르는 사람이니 구별해서 대우해 달라고 주장하는 것은 결코 아니다. 다만 직책에 따르는 이름을 가지고서 사람을 이분법적으로 취급해서는 아니된다는 말을 하고 싶다.
그럼에도 불구하고 오늘의 행사는 매우 유익한 자리였고, 결론적으로 말하자면 기업에서도 정말 열심히 한다는 좋은 이미지를 느끼게 되었다.
철도와 시내버스를 통해 행사장 근처에 내리니 멋지게 지은 큰 규모의 건물이 눈에 들어왔다. 마침 태풍이 우리나라를 지나쳐 가는 중이었지만 우려와 달리 세력도 많이 약해졌고 수도권에서 멀리 떨어진 곳을 지나고 있어서 비만 간간이 내릴뿐 매우 쾌적한 날씨였다. 상쾌한 마음으로 건물로 들어서니 분주하게 행사를 준비하는 사람들, 제품 전시대, 이 기업 소유 브랜드의 매장(카페 및 헬스&뷰티 스토어) 등이 멋진 인테리어와 잘 어울러진 모습을 하고 있었다.
등록 데스크를 향했다. 곳곳에 직원들이 배치되어서 안내를 하고 있었다. STAFF라고 적힌 명찰을 단 사람이 먼저 다가와서 나에게 물었다
"교수님이신가요?"
왜 그걸 묻는 것인가? 교수와 비(非)교수에 대한 대우가 다른가? 교수 자격으로 참가한 청중은 더 각별하게 모시라는 지시가 있었나? 내가 과연 교수인가? 굳이 따진다면 UST 겸임 교수이니 교수라고 할 수도 있겠다. 하지만 나는 평소에 이러한 점을 전혀 강조하지 않고, 또 그러고 싶지도 않다. 몇 초간 생각하다가 '그건 아닌데요'라는 어색한 대답을 하고 말았다. 갑자기 내가 이등 시민으로 전락한 느낌을 받았다.
언젠가 어떤 학술 행사 비슷한 것에 간 적이 있다. 식사가 제공되는 자리였는데, 진행자가 '교수님들은 앞쪽 테이블로 오시고, 학생·연구원은 뒷쪽으로 앉으세요'라고 하는 것이었다. 그래, 난 연구원이지. 나는 뒷쪽 테이블로 가서 자리를 잡았다.
예전과는 많이 달라졌다고는 하지만, 여전히 한국 사회에서 교수라는 직함이 갖는 사회적 지위는 엄청나다. 정부출연연구소에서 대학 교수로 옮기지 못한 연구'원'의 '신포도 이론'이라고 생각해도 좋다. 능력과 기회가 된다면 다들 학교로 가고 싶어한다는 편견이 싫다. 난 권위와 위계 자체를 극도로 싫어하는 사람이고, 다음과 같은 표현도 좋아하지 않는다.
그 친구, 내 밑에서 일하던 사람이야(=내가 데리고 있던 사람이야).
애들 다 어디갔어? 그런 건 애들 시키지 왜 직접 해?출연연구소 안에서도 이런 소리가 들리는데, 하물며 대학 안에서는 어떻겠는가? 지금은 많아 나아졌다고는 하지만, 아직도 한국 대학 안에서는 전근대적인 요소가 많이 남아있다. 몇년 전이었던가, 어느 국립 대학교의 연구실을 잠시 방문했더니 학생을 시켜서 음료수를 내오는 모습이 너무나 불편하였던 기억이 있다. 한국 문화의 이런 특성에 대해서 비판적인 의견을 많이 내놓는 박노자 교수의 최근 한겨레신문 기고를 살펴보자.
[박노자의 한국, 안과 밖] '높으신 분' 없는 세상을 위하여!(2018년 8월 14일)
학부생은 약간의 소비자적인 입장에서 교수를 대하지만(비싼 등록금을 지불하므로 이에 해당하는 교육 서비스를 받을 권리가 있다), 대학원생은 교수에게 영원한 '을'이다. 그리고 교수들은 사회적으로도 존경을 받으며 정치적 입김을 불어넣을 기회도 많다. 출연연 종사자들에게 왕처럼 군림하는 중앙부처 공무원들도 교수들은 깍듯이 모시는 경우를 본 일이 있다. 왜 이런 일이 벌어지는가에 대해서 토론을 해 본 일이 있는데, 학교에서 교수로 있다가 공직에 오르는 일이 종종 있기 때문일 것이라는 것이 결론이었다. 출연연 종사자들은 과학기술계의 공직에 오르기는커녕 사회적으로 중요한 이슈에 대해서는 목소리를 내지도 못한다. 요즘은 국민의 폭넓은 지지도 별로 받지 못해서 대덕넷에는 걸핏하면 출연연을 없애라는 댓글이 올라온다. 'PBS제도 이대로는, 과학기술 역량 추락 막을 수 없어'라는 대덕넷 기사에 달린 댓글 잔치를 보라. 이런 글을 볼 때마다 속이 상함은 물론이요, 가끔은 출연연 내부에서도 이에 동조하는 자조적인 글을 올리는 것 같아서 더욱 안타깝다.
공부와 연구를 하는 집단은 교수와 학생만으로 이루어지는 것이 아니다. '연구원'이라는 이름으로 도매금으로 취급되는 집단에는 연구 프로젝트를 기획하고 책임지며 주도하는 연구책임자(Principal Investigator, PI), 실무를 담당하는 연구자(학사·석사·박사 등 다양), 그리고 연수생 등 매우 다양한 스펙트럼이 존재한다. 그리고 그 수가 그렇게 적은 것만도 아니다.
연구원이라고 뭉뜽그려서 부르는 집단 안에 전문성이나 직무에 따라 다양한 계층이 있고, 난 그 중에서 어느 수준 이상에 이르는 사람이니 구별해서 대우해 달라고 주장하는 것은 결코 아니다. 다만 직책에 따르는 이름을 가지고서 사람을 이분법적으로 취급해서는 아니된다는 말을 하고 싶다.
그럼에도 불구하고 오늘의 행사는 매우 유익한 자리였고, 결론적으로 말하자면 기업에서도 정말 열심히 한다는 좋은 이미지를 느끼게 되었다.
![]() |
| 점식식사로 제공된 치킨가스. 제법 괜찮았다. |
2018년 8월 20일 월요일
SMPS를 이용한 진공관 히터 점화
메가헤르쯔 이상은 되어야 진정한 고주파라고 주장하는 사람도 있을 것이지만, 오디오 앰플리파이어를 다루는 사람에게는 가청 주파수 이상이면 고주파라고 이야기해도 수긍을 할 것이다. 고주파를 진공관의 히터에 연결하려는 시도는 전혀 새로운 것은 아니다.
High-frequency filament supply(회로도를 아무리 보아도 어떻게 사인파를 만들었는지, 그리고 왜 사인파를 만들었어야 하는지 잘 모르겠다)
아직은 앰프에 SMPS를 실제로 연결하여 성공적으로 작동시킨 단계까지 오지는 않았다. 고주파 트랜스 2차 권선을 적당히 조절하여 실효값 6.3 V에 가까운 전압을 만들어 낸 것에 불과하다. SMPS의 장점은 바로 이것이 아닐까 한다. 고주파 트랜스의 권선수를 조절하여 그때그때 필요한 전압을 얻을 수 있다는 점. 내가 사용한 회로의 주파수는 약 32 kHz이다.
주말을 기해서 IR2153과 MOSFET(IRF740)을 이용한 SMPS 실험에 겨우 성공을 한 상태이다. 고주파 트랜스의 2차에는 다음과 같은 반파 정류회로가 연결된 상태이다. 맨 끝에 +와 -를 가로질러 연결하고 있는 것은 5 와트 27 kOhm 시멘트 저항이다. 부끄럽지만 '발'로 그린 회로도이다. CircuitLab 사이트를 공부해서 멋진 회로도를 그려야 하는데... 이 회로는 높은 주파수로 작동하므로 일반 정류용 다이오드를 쓸 수 없다. UF4007과 같은 초고속 회복 다이오드를 써야만 한다.
오실로스코프를 이용하여 출력 전압을 측정해 보았다. C에 그라운드용 탐침을 연결하고 A와 B에 번갈아서 프로브를 대 보았다. 먼저 A지점을 측정한다. 전압이 급격히 오르고 내리는 위치에서 스파이크 비슷한 것이 보인다. 이것을 없애야 하나? 아니면 없앨 필요가 없는가?
다음은 정류회로를 거친 B 지점에서 측정한다.
지글거리는 스위칭 노이즈가 있지만 실용적으로 따지자면 귀에 들리는 주파수는 아닐 것이다. Square wave라서 정류 전후의 실효치에 큰 차이가 없다. 2차 권선은 18회 - 센터탭 - 18회를 감은 것이었다. 단순한 비례식으로 계산하니 세번 감으면 6.3 V 근처가 나올 것 같다. 다음은 실험 결과이다. 실효치 6.28 V가 나왔으니 일단은 성공한 것으로 보인다.
실제로 진공관을 몇 개 연결하면 전압에 변동이 올 수도 있다. 그러나 작동 중에 부하(히터)의 조건이 바뀌지는 않을테니 처음에 조건을 잘 잡으면 실용적으로 문제가 없을 것이다. 이것을 진공관 히터에 연결하여 험(hum)이 정말 나지 않는지, 새로운 종류의 노이즈가 발생하지는 않는지 실험을 해 볼 것이다. 만약 잘 작동한다면, 현재 사용하는 전원 트랜스의 부담을 한결 덜 수 있을 것이고(히터와 B 전원을 같이 제공해야 하므로), 그렇게 되면 전원트랜스에서 발생하는 떨림도 사라질지 모른다. 왜냐하면 히터를 연결하지 않으면 트랜스 떨림이 발생하지 않기 때문이다.
High-frequency filament supply(회로도를 아무리 보아도 어떻게 사인파를 만들었는지, 그리고 왜 사인파를 만들었어야 하는지 잘 모르겠다)
아직은 앰프에 SMPS를 실제로 연결하여 성공적으로 작동시킨 단계까지 오지는 않았다. 고주파 트랜스 2차 권선을 적당히 조절하여 실효값 6.3 V에 가까운 전압을 만들어 낸 것에 불과하다. SMPS의 장점은 바로 이것이 아닐까 한다. 고주파 트랜스의 권선수를 조절하여 그때그때 필요한 전압을 얻을 수 있다는 점. 내가 사용한 회로의 주파수는 약 32 kHz이다.
주말을 기해서 IR2153과 MOSFET(IRF740)을 이용한 SMPS 실험에 겨우 성공을 한 상태이다. 고주파 트랜스의 2차에는 다음과 같은 반파 정류회로가 연결된 상태이다. 맨 끝에 +와 -를 가로질러 연결하고 있는 것은 5 와트 27 kOhm 시멘트 저항이다. 부끄럽지만 '발'로 그린 회로도이다. CircuitLab 사이트를 공부해서 멋진 회로도를 그려야 하는데... 이 회로는 높은 주파수로 작동하므로 일반 정류용 다이오드를 쓸 수 없다. UF4007과 같은 초고속 회복 다이오드를 써야만 한다.
오실로스코프를 이용하여 출력 전압을 측정해 보았다. C에 그라운드용 탐침을 연결하고 A와 B에 번갈아서 프로브를 대 보았다. 먼저 A지점을 측정한다. 전압이 급격히 오르고 내리는 위치에서 스파이크 비슷한 것이 보인다. 이것을 없애야 하나? 아니면 없앨 필요가 없는가?
다음은 정류회로를 거친 B 지점에서 측정한다.
지글거리는 스위칭 노이즈가 있지만 실용적으로 따지자면 귀에 들리는 주파수는 아닐 것이다. Square wave라서 정류 전후의 실효치에 큰 차이가 없다. 2차 권선은 18회 - 센터탭 - 18회를 감은 것이었다. 단순한 비례식으로 계산하니 세번 감으면 6.3 V 근처가 나올 것 같다. 다음은 실험 결과이다. 실효치 6.28 V가 나왔으니 일단은 성공한 것으로 보인다.
실제로 진공관을 몇 개 연결하면 전압에 변동이 올 수도 있다. 그러나 작동 중에 부하(히터)의 조건이 바뀌지는 않을테니 처음에 조건을 잘 잡으면 실용적으로 문제가 없을 것이다. 이것을 진공관 히터에 연결하여 험(hum)이 정말 나지 않는지, 새로운 종류의 노이즈가 발생하지는 않는지 실험을 해 볼 것이다. 만약 잘 작동한다면, 현재 사용하는 전원 트랜스의 부담을 한결 덜 수 있을 것이고(히터와 B 전원을 같이 제공해야 하므로), 그렇게 되면 전원트랜스에서 발생하는 떨림도 사라질지 모른다. 왜냐하면 히터를 연결하지 않으면 트랜스 떨림이 발생하지 않기 때문이다.
2018년 8월 21일 추가한 글
집에서 사용하는 6N1+6P1 싱글 엔디드 앰프에 사용하는 모든 진공관(3 개)의 히터에 SMPS에서 만든 ~32 kHz 고주파 전원을 연결한 뒤 음악을 들어 보았다. 평소와 다를바가 없이 소리가 잘 나고, 놀랍게도 험(hum)이 느껴지지 않는다. 이만하면 절반은 성공한 셈이다.
2018년 8월 19일 일요일
IR2153 + IRF740을 이용한 SMPS 실험에 성공하다
어제 토요일을 맞아서 만능기판에 아주 간단한 회로를 꾸몄다. 다음 링크의 회로도를 참조하여 최초의 정류회로와 고주파 트랜스 사이에 들어가는 스위칭 회로를 만든 것이다.
Simple non-regulated supply 2x35V 350W for audio amplifier
실제로 만든 것은 다음 사진에서 빨강 점선 상자로 둘러친 부분에 불과하다. 그 아래에 보인 IR2153 점검용 보드는 이번 제작에서 일등공신 역할을 하였다.
제작에 대한 모든 정보와 이미 만들어진 회로 및 부품은 제이앨범의 어느 친절한 회원으로부터 무상으로 얻은 것이다. 원래 여기에는 컴팩트형광등에서 적출한 기판을 개조한 발진회로가 들어있었으나 내가 잘못 건드려서 망가뜨리고 말았다. 고전압을 잘못 다루어서 조그만 사고를 친 것이었는데 부끄러워서 그 사연을 다 기록할 수는 없다.
그래서 IR2153과 IRF740을 이용한 아주 간단한 회로를 만들어 보았는데 전혀 작동을 하지 않았다. 사전에 실체 배선도를 그리고 이에 맞추어서 공들여 납땜을 했는데 고주파 트랜스의 2차에서 전압이 잡히질 않는 것이었다. 도대체 문제가 무엇을까. 일단 방바닥에 어지럽게 널린 '가내수공업'의 흔적을 모두 정리하고 잠자리에 들었다.
그리고 오늘 아침, 어제 만든 기판을 앞뒤로 뒤집어가면서 도대체 무슨 실수가 있었는지 확인해 보았다. 범인은 아주 쉽게 잡혔다. IR2153에 전원을 공급하는 39 kOhm 저항을 100 uF 캐피시터에 연결하는 것을 빼먹은 것이었다.
납땜을 수정한 다음 220 V에 연결하기에 앞서서 안전을 위해서 220 V:26V 트랜스를 통해서 전원을 연결하였다. 전원 전압을 낮추면 조금이라도 더 안전하게 작업을 할 수 있을 것으로 생각하였던 것이다. 그러나 고주파 트랜스에서는 전혀 전압이 검출되질 않았다.
무엇이 문제일까.. 전원을 넣은 채로 한참 고민을 하고 있는데 IR2153을 소켓에 꽂지 않은 것을 발견하였다. 상태가 정상인지를 확인하기 위해 점검용 보드에 IC를 꽂아놓고는 다시 원래 자리에 돌려놓지를 않았던 것이다. 그런데 MOSFET에서 열이 펄펄 나고 있었다. 방열판을 임시로 고정하느라 사용한 핫멜트가 다 녹아내릴 지경이었다. IR2153이 없는 상태였으니 말하자면 MOSFET의 게이트가 오픈된 상태에서 직렬로 연결된 드레인-소스 사이에 직류 약 36 볼트가 걸려있었던 것이다. IRF740은 드레인-소스 사이에 걸린 최대 400 V까지의 전압을 제어할 수 있지만 이는 게이트에 제대로 전압을 걸어 준 상태에서나 가능할 것이다.
재빨리 전원을 끊고 MOSFET을 식힌 뒤 디지털 멀티미터로 점검을 해 보았다. 다행히 정상이었다. 만약 IR2153을 소켓에 끼우지 않은 상태에서 220 V를 그대로 걸었다가는 어떤 일이 벌어졌을지 모른다. 가슴을 쓸어내리면서 IR2153을 꽂은 뒤 다시 입력측에 AC 26 V를 걸어 보았다. 고주파 트랜스 2차에서는 전압이 거의 잡히지 않았다. 이건 또 왜 이런가? 다시 곰곰이 그 원인을 생각해 보았다. AC 220 V를 전원으로 공급하는 경우 정류를 거치면 300 V에 가까운 직류가 발생한다. 이를 IR2153의 전원으로도 공급해 주어야 하므로 수십 kOhm의 저항(나의 경우는 39K 2W)을 거쳐서 1번 핀에 접속이 된다. 하지만 전원으로 AC 26 V를 걸어주면 39K 저항을 거쳐서는 IR2153에 충분한 전압을 공급하지 못한다. IR2153을 사용한 12 V / 230 V 인버터 회로의 사례를 보라(링크). 직류 12 V가 그대로 1번 핀에 들어간다. 그러니 AC 220 V를 걸어야 할 곳에 AC 26 V를 거는 것으로는 회로의 정상 작동 여부를 알 수가 없었던 것이다.
최종 점검은 결국 220 V를 연결해야 하는 것이다. 아무런 일이 없기를 기대하면 조심스럽게 220 V를 연결하였다. 반도체 칩이나 전해 캐패시터가 터져나가는 일에 익숙해져서 이제는 전원을 넣을 때 일부러 고개를 돌린다. 터져나간 칩 조각이나 전해액이 눈에 들어가는 것을 막기 위해서이다. 노안이 와서 공작을 할 때에는 안경을 쓰는 것도 도움이 될 것이다. 조심스레 전원을 넣었다. 220 V에 연결한 1 A 퓨즈가 돌입전류에 의해 순간적으로 빨갛게 되었다가 식는 모습이 보였다. 아마도 3 A 정도로 바꾸어야 할 것 같다. 회로에서는 아무런 소리도 나지 않았다. 고주파 트랜스 2차에 디지털 멀티미터를 대 보았다. 생전 처음 보는 표시다!
-1. . .
이게 뭐지? 수십 kHz의 고주파라서 그런가? 그렇다면 2차측을 정류하여 나오는 전압을 측정해 보는 수밖에 없다. 고주파 트랜스 1차는 총 70회, 2차에는 18회 - 중간탭 - 18회가 감긴 상태이며, 전파정류회로가 2차에 연결된 상태이다.
정류회로를 거친 최종 출력단에는 DC 36.1 V가 검출되었다. 성공이다! 그동안의 좌절이 보람으로 바뀌는 순간이었다. 하지만 앞으로도 다음의 숙제가 남았다.
Simple non-regulated supply 2x35V 350W for audio amplifier
실제로 만든 것은 다음 사진에서 빨강 점선 상자로 둘러친 부분에 불과하다. 그 아래에 보인 IR2153 점검용 보드는 이번 제작에서 일등공신 역할을 하였다.
제작에 대한 모든 정보와 이미 만들어진 회로 및 부품은 제이앨범의 어느 친절한 회원으로부터 무상으로 얻은 것이다. 원래 여기에는 컴팩트형광등에서 적출한 기판을 개조한 발진회로가 들어있었으나 내가 잘못 건드려서 망가뜨리고 말았다. 고전압을 잘못 다루어서 조그만 사고를 친 것이었는데 부끄러워서 그 사연을 다 기록할 수는 없다.
그래서 IR2153과 IRF740을 이용한 아주 간단한 회로를 만들어 보았는데 전혀 작동을 하지 않았다. 사전에 실체 배선도를 그리고 이에 맞추어서 공들여 납땜을 했는데 고주파 트랜스의 2차에서 전압이 잡히질 않는 것이었다. 도대체 문제가 무엇을까. 일단 방바닥에 어지럽게 널린 '가내수공업'의 흔적을 모두 정리하고 잠자리에 들었다.
그리고 오늘 아침, 어제 만든 기판을 앞뒤로 뒤집어가면서 도대체 무슨 실수가 있었는지 확인해 보았다. 범인은 아주 쉽게 잡혔다. IR2153에 전원을 공급하는 39 kOhm 저항을 100 uF 캐피시터에 연결하는 것을 빼먹은 것이었다.
납땜을 수정한 다음 220 V에 연결하기에 앞서서 안전을 위해서 220 V:26V 트랜스를 통해서 전원을 연결하였다. 전원 전압을 낮추면 조금이라도 더 안전하게 작업을 할 수 있을 것으로 생각하였던 것이다. 그러나 고주파 트랜스에서는 전혀 전압이 검출되질 않았다.
무엇이 문제일까.. 전원을 넣은 채로 한참 고민을 하고 있는데 IR2153을 소켓에 꽂지 않은 것을 발견하였다. 상태가 정상인지를 확인하기 위해 점검용 보드에 IC를 꽂아놓고는 다시 원래 자리에 돌려놓지를 않았던 것이다. 그런데 MOSFET에서 열이 펄펄 나고 있었다. 방열판을 임시로 고정하느라 사용한 핫멜트가 다 녹아내릴 지경이었다. IR2153이 없는 상태였으니 말하자면 MOSFET의 게이트가 오픈된 상태에서 직렬로 연결된 드레인-소스 사이에 직류 약 36 볼트가 걸려있었던 것이다. IRF740은 드레인-소스 사이에 걸린 최대 400 V까지의 전압을 제어할 수 있지만 이는 게이트에 제대로 전압을 걸어 준 상태에서나 가능할 것이다.
재빨리 전원을 끊고 MOSFET을 식힌 뒤 디지털 멀티미터로 점검을 해 보았다. 다행히 정상이었다. 만약 IR2153을 소켓에 끼우지 않은 상태에서 220 V를 그대로 걸었다가는 어떤 일이 벌어졌을지 모른다. 가슴을 쓸어내리면서 IR2153을 꽂은 뒤 다시 입력측에 AC 26 V를 걸어 보았다. 고주파 트랜스 2차에서는 전압이 거의 잡히지 않았다. 이건 또 왜 이런가? 다시 곰곰이 그 원인을 생각해 보았다. AC 220 V를 전원으로 공급하는 경우 정류를 거치면 300 V에 가까운 직류가 발생한다. 이를 IR2153의 전원으로도 공급해 주어야 하므로 수십 kOhm의 저항(나의 경우는 39K 2W)을 거쳐서 1번 핀에 접속이 된다. 하지만 전원으로 AC 26 V를 걸어주면 39K 저항을 거쳐서는 IR2153에 충분한 전압을 공급하지 못한다. IR2153을 사용한 12 V / 230 V 인버터 회로의 사례를 보라(링크). 직류 12 V가 그대로 1번 핀에 들어간다. 그러니 AC 220 V를 걸어야 할 곳에 AC 26 V를 거는 것으로는 회로의 정상 작동 여부를 알 수가 없었던 것이다.
최종 점검은 결국 220 V를 연결해야 하는 것이다. 아무런 일이 없기를 기대하면 조심스럽게 220 V를 연결하였다. 반도체 칩이나 전해 캐패시터가 터져나가는 일에 익숙해져서 이제는 전원을 넣을 때 일부러 고개를 돌린다. 터져나간 칩 조각이나 전해액이 눈에 들어가는 것을 막기 위해서이다. 노안이 와서 공작을 할 때에는 안경을 쓰는 것도 도움이 될 것이다. 조심스레 전원을 넣었다. 220 V에 연결한 1 A 퓨즈가 돌입전류에 의해 순간적으로 빨갛게 되었다가 식는 모습이 보였다. 아마도 3 A 정도로 바꾸어야 할 것 같다. 회로에서는 아무런 소리도 나지 않았다. 고주파 트랜스 2차에 디지털 멀티미터를 대 보았다. 생전 처음 보는 표시다!
-1. . .
이게 뭐지? 수십 kHz의 고주파라서 그런가? 그렇다면 2차측을 정류하여 나오는 전압을 측정해 보는 수밖에 없다. 고주파 트랜스 1차는 총 70회, 2차에는 18회 - 중간탭 - 18회가 감긴 상태이며, 전파정류회로가 2차에 연결된 상태이다.
정류회로를 거친 최종 출력단에는 DC 36.1 V가 검출되었다. 성공이다! 그동안의 좌절이 보람으로 바뀌는 순간이었다. 하지만 앞으로도 다음의 숙제가 남았다.
- 고주파 트랜스를 직접 감아서 원하는 DC 전압 만들기
- 인턱터를 2용한 2차 출력 필터 만들기(PC용 파워 서플라이에서 원하는 부품을 얻을 수 있을 것이다)
- 고주파 교류를 직접 진공관 히터에 공급해 보기(교류 6.3 V 실효치에 해당하는 출력을 얻기 위해 시행착오를 겪어야 한다)
2018년 8월 17일 금요일
MinION을 사용하기 위한 컴퓨터 준비
꼭 일 년 전에 MinION을 테스트한 일이 있다. 계획은 원대하였으나 lambda control DNA를 시퀀싱하여 de novo assembly를 하는 정도에서 그치고 말았다. 당시에 이를 구동하기 위해서 Xeon CPU E5520(4 cores, 2.27 GHz)가 장착된 Supermicro X8SAX 보드 조립 서버에 우분투 14.04를 설치한 다음 MinKNOW와 Albacore(base caller)를 깔아서 사용했었다. 메모리는 겨우 16 GB. MinION 구동을 위한 컴퓨터의 최소 사양은 다음과 같다(MinION IT requirements version 1.0.0 링크).
다시 MinION을 본격적으로 사용할 일이 생겨서 어제 오후부터 최신 MinKNOW(2.1 v18.05.5)를 설치하였다. 그런데 application list에서 MinKNOW가 보이질 않는다. 원래 프로그램 아이콘이 나타나야 한다.
뭐가 잘못된 것일까? 우분투 버전을 14에서 16으로 바꾸어 보고(이미 둘 다 깔려 있어서 grub로 전환하여 부팅), 아예 DVD 매체를 이용해서 우분투의 각 버전을 새로 설치해 보기도 하였다. 그러고나서 MinKNOW를 다시 설치하기를 반복하였으나 여전히 프로그램 아이콘은 어디에도 없다. 참고로 이 글 역시 현재 작업을 진행 중인 우분투 서버에서 작성하고 있다.
좌절의 기분이 슬슬 밀려오기 시작하였다. 일 년 사이에 내가 감당하지 못할 정도로 프로그램이 고도화된 것일까? 성과 없이 뒤늦은 퇴근을 하고 다시 아침을 맞았다.
어쩌면 NanoPore community에 뭔가 힌트가 있을지도 모른다. 로그인하여 질문과 답을 뒤져보았다. 내가 겪은 것과 동일한 문제에 대한 질문과 답이 있었다.
Installing MinKNOW on linux - Can't find executable
질문이 언제 작성되었는지는 모르겠지만 답변은 7월 26일에 올라온 것으로 봐서 매우 최근에 불거진 문제로 보인다. 답변에 다음과 같은 문장이 있는 것으로 보아 해결이 시급한 문제임에 틀림이 없다.
- Windows - 7, 8, 10
- OSX - Sierra, High Sierra
- Linux - Ubuntu 14.04 or 16.04
- Memory: 16 GB RAM
- CPU: i7 or Xeon with 4+ cores
- Storage: 1 TB internal SSD
- Ports: USB3
다시 MinION을 본격적으로 사용할 일이 생겨서 어제 오후부터 최신 MinKNOW(2.1 v18.05.5)를 설치하였다. 그런데 application list에서 MinKNOW가 보이질 않는다. 원래 프로그램 아이콘이 나타나야 한다.
뭐가 잘못된 것일까? 우분투 버전을 14에서 16으로 바꾸어 보고(이미 둘 다 깔려 있어서 grub로 전환하여 부팅), 아예 DVD 매체를 이용해서 우분투의 각 버전을 새로 설치해 보기도 하였다. 그러고나서 MinKNOW를 다시 설치하기를 반복하였으나 여전히 프로그램 아이콘은 어디에도 없다. 참고로 이 글 역시 현재 작업을 진행 중인 우분투 서버에서 작성하고 있다.
좌절의 기분이 슬슬 밀려오기 시작하였다. 일 년 사이에 내가 감당하지 못할 정도로 프로그램이 고도화된 것일까? 성과 없이 뒤늦은 퇴근을 하고 다시 아침을 맞았다.
어쩌면 NanoPore community에 뭔가 힌트가 있을지도 모른다. 로그인하여 질문과 답을 뒤져보았다. 내가 겪은 것과 동일한 문제에 대한 질문과 답이 있었다.
Installing MinKNOW on linux - Can't find executable
질문이 언제 작성되었는지는 모르겠지만 답변은 7월 26일에 올라온 것으로 봐서 매우 최근에 불거진 문제로 보인다. 답변에 다음과 같은 문장이 있는 것으로 보아 해결이 시급한 문제임에 틀림이 없다.
This is being worked on and will be addressed ASAP.해결책으로는 /opt/ui/MinKNOW를 터미널 창에서 직접 실행하는 것이었다. 그 다음 문제는 instance manager라는 것이 연결되지 않고 있는데, 이는 systemctl 명령으로 실행하라고 하였다.
sudo systemctl daemon-reloadsudo systemctl enable minknowsudo systemctl start minknow이것은 또다른 문제를 낳는다. 우분투 14.04에는 systemctl 명령이 없기 때문이다. 없으면 설치하면 된다.
sudo apt-get install systemd
Configuration test cell을 장착한 MinION을 USB 3.0 포트에 끼우고 MinKNOW를 실행하였다.
얼마나 오랜만에 만나는 화면인가! Anaconda를 이용하여 python 3.6 환경을 만든 뒤 albacore도 설치를 완료하였다.
2018년 8월 14일 화요일
IR2153 칩 점검을 위한 간단한 회로
인버터는 직류로부터 교류를 얻어내는 회로이다. SMPS에 쓰이는 IR2153 "self-oscillating half-bridge driver" 칩을 이용하면 이것도 쉽게 만들 수 있다. 다음은 12V 직류를 230V 50Hz의 방형파를 만드는 인버터 회로이다. 가정용 전기와 같은 사인파가 아니므로 파형에 민감한 기기는 연결하지 않는 것이 좋을 것이다. 백열등이나 전열기라면 괜찮을 것 같다. 그러나 기기 내부에서 직류로 정류를 한다면 문제가 없지 않을까?
MOSFET는 디지털 멀티미터를 이용하여 점검하는 방법을 알아냈지만 IR2153 칩은 정상인지 어떻게 알 수 있을까? 저전압으로 작동하는 SMPS를 만드는 것도 하나의 방법이고, 아니면 MOSFET를 쓰지 않고 LED를 점등시키는 회로를 만들 수도 있을 것이다. IR2153의 2-3번 핀 및 3-4번 핀에 연결되는 oscillator timing resistor(RT) 및 capacitor(CT)의 값을 바꾸면 작동 주파수를 바꿀 수 있다(값이 커지면 주파수가 낮아진다). 다음은 유튜브에서 찾은 IR2153 동작 점검 회로의 활용 사례이다.
회로도는 다음과 같다. Gate driver output(7번: HO, 5번: LO)에 330 Ohm 저항을 통해 직접 LED를 점등한다. 갖고 있는 부품만으로도 쉽게 만들 수 있다.
RT 및 CT의 변화에 따른 작동 주파수 변동 특성은 다음의 그래프를 참고하라.
갖고 있는 부품의 형편에 맞추어 실제 구현은 다음과 같이 하였다.
![]() |
| 출처: http://danyk.cz/menic230_4_en.html |
MOSFET는 디지털 멀티미터를 이용하여 점검하는 방법을 알아냈지만 IR2153 칩은 정상인지 어떻게 알 수 있을까? 저전압으로 작동하는 SMPS를 만드는 것도 하나의 방법이고, 아니면 MOSFET를 쓰지 않고 LED를 점등시키는 회로를 만들 수도 있을 것이다. IR2153의 2-3번 핀 및 3-4번 핀에 연결되는 oscillator timing resistor(RT) 및 capacitor(CT)의 값을 바꾸면 작동 주파수를 바꿀 수 있다(값이 커지면 주파수가 낮아진다). 다음은 유튜브에서 찾은 IR2153 동작 점검 회로의 활용 사례이다.
회로도는 다음과 같다. Gate driver output(7번: HO, 5번: LO)에 330 Ohm 저항을 통해 직접 LED를 점등한다. 갖고 있는 부품만으로도 쉽게 만들 수 있다.
![]() |
| 출처: https://drive.google.com/open?id=0B6D-TEuZKf4hLW81bEYzWlZWN28 |
![]() |
| 자료 출처: Infineon(링크) |
- RT: 20 kOhm(B) 가변저항
- CT: 10 uF 50 V 전해 캐패시터
- LED 전류 제한용 저항은 1 kOhm 1/4 W
- LED는 IC114에서 구입한 HSP10RW-ADJ(링크)
- 전원은 DC 12 V 300 mA 어댑터 사용(무선전화기용 어댑터 재활용)
정말 오랜만에 만능기판에 납땜 작업을 하였다. 브레드보드는 취향에 잘 맞지 않는다. 가변저항은 갖고 있는 것이 2련뿐이라서 아깝지만 그것을 사용하였다. LED 역시 샤시용이라서 이렇게 쓰기는 좀 아깝지만 어쩔 도리가 없다.
작동 동영상
그동안 망가뜨린 칩(2018년 8월 30일 업데이트)
이 정도면 양호하지 않은가? 이 글에서 소개한 IR2153 점검용 보드가 없었다면 SMPS 작동 이상의 원인을 찾기가 얼마나 힘들었겠는가?
2018년 8월 13일 월요일
SMPS 실험의 나아갈 방향
작은 브레드보드에 IR2153을 비롯한 몇 가지 되지 않는 부품을 끼워넣고 전원을 넣었다. 퓨즈에서 불이 번쩍. MOSFET은 무사할까? 인터넷에서 돌아다니는 디지털 멀티미터(소위 '테스터')를 이용한 점검법을 참고하여 IRF740을 체크하였다. 상태가 정상이 아닌 것 같다.
다시 회로를 점검하여 보았다. 배선 오류를 하나 발견하였다. IR2153의 6번 핀에서 두 개의 MOSFET으로 이어지는 배선을 빼먹은 것이다. 이 실수가 문제를 일으킨 것으로 생각한다.
핵심 반도체 부품이 없으니 더 이상 실험을 진행할 수가 없었다. IR2153과 IRF740은 어디에서 판매할까? IC114에 재고가 있어서 일단 몇 개를 주문하였다. 알리익스프레스에서는 훨씬 싼 값에 판매하지만 여기에 주문을 하면 족히 2~3 주일은 걸릴 것이다.
SMPS 실험에서는 안전이 가장 중요하다. 300 볼트를 넘기는 전압을 다루어야 하기 때문이다. 백열전구를 이용하여 평활회로용 대용량 캐패시터를 방전시키는 기구를 만들도록 하자. 안전 제일!
다시 회로를 점검하여 보았다. 배선 오류를 하나 발견하였다. IR2153의 6번 핀에서 두 개의 MOSFET으로 이어지는 배선을 빼먹은 것이다. 이 실수가 문제를 일으킨 것으로 생각한다.
핵심 반도체 부품이 없으니 더 이상 실험을 진행할 수가 없었다. IR2153과 IRF740은 어디에서 판매할까? IC114에 재고가 있어서 일단 몇 개를 주문하였다. 알리익스프레스에서는 훨씬 싼 값에 판매하지만 여기에 주문을 하면 족히 2~3 주일은 걸릴 것이다.
SMPS 실험에서는 안전이 가장 중요하다. 300 볼트를 넘기는 전압을 다루어야 하기 때문이다. 백열전구를 이용하여 평활회로용 대용량 캐패시터를 방전시키는 기구를 만들도록 하자. 안전 제일!
2018년 8월 12일 일요일
독서 기록 - <당선, 합격, 계급> 외 네 권
당선, 합격 계급
- 지은이: 장강명
- '문학상과 공채는 어떻게 좌절의 시스템이 되었나'
주목받는 신진 소설가 중 하나인 그의 화제작 <한국이 싫어서>을 읽은 적이 있다. 지망생들의 세계와 합격자들의 세계를 나누는 관문인 공채 시스템. 고려시대부터 시작된 과거제도가 바로 한국 사회에서 인재를 등용하기 위한 가장 보편적인 공채 시스템의 원형이라고 볼 수 있을 것이다. 그 나름대로의 효율성은 있었지만 변화하는 세계에 맞추어 우리의 미래를 지탱해 나갈 창의적인 인재들을 걸러내기에는 부족함이 많다. 치열한 공채를 뚫고 그들만의 세상에 입성한 합격자들은 새로운 인재가 들어오는 것을 그다지 원하지 않는다. 그리고 한번 부여된 간판은 그 이후로 어지간해서는 재평가되지 않는다. 소설 공모전을 사례로 들추어본 우리 사회의 자화상.
파괴적 혁신
- 제이 새밋(Jay Samit) 지음 | 이지연 옮김
제목만 보고서 테크놀로지에 관련된 책으로 생각하고 빌렸는데 실제로는 비즈니스 서적에 가까왔다. 파괴적 혁신(disruptive innovation)이란 용어를 처음 주창한 사람은 클레이튼 크리스텐슨이다. 구글을 조금만 뒤지면 이와 관련된 정보가 무척 많이 나온다.
'업계에서 가장 쿨한 직업'을 가진 사람으로 묘사되는 제이 새밋이 어떻게 남들이 놓친 기회를 어떻게 성공적인 비즈니스로 일구었는지를 잘 보여주고 있다. 특히 이 책을 읽으면서 사내 스타트업의 유용성을 알 수 있었다.
우연은 얼마나 내 삶을 지배하는가
- 플로리안 아이그너 지음 | 서유리 옮김
물결의 비밀
- 바오 닌 외 지음 | 구수정 외 옮김
아시아 단편소설 모음집이다. 바오 닌(베트남)의 '물결의 비밀', 츠쯔첸(중국)의 '돼지기름 한 항아리'가 특히 감명깊었다. 평소에 접하지 못했던 아시아 문학작품의 깊이를 느낄 수 있는 좋은 기회였다.
제주 4·3을 묻는 너에게
- 허영선 지음
논문 작성, SMPS 실험 등에 몰두하느라 총 다섯 권의 책을 읽고서도 독서 기록을 남기는데 많은 시간을 들이지 못함을 부끄럽게 생각한다. 요즘은 끈기를 가지고서 소설을 읽는 버릇을 들이고자 많은 노력을 하고 있다.
SMPS 실험 - 일단은 실패!(유용한 링크 포함)
[주의!] SMPS는 220 V를 직접 정류하여 만든 고전압의 직류를 다루는 물건이다. 브리지 정류를 하므로 이론적으로는 220 V x 1.414 = 311 V가 만들어진다. 일단 전원이 공급되면 회로를 끊은 뒤에도 평활용 캐피시터에 엄청난 양의 전기가 축적되어 있으므로 안전을 위해 이를 제거해야 한다. 60 W 전구를 연결했더니 번쩍! 하고 불이 들어왔다.
SMPS 회로의 핵심은 직류를 칼질(?)하여 사각파 형태의 교류를 만드는 것이라고 생각한다. 사각형의 모양이 직사각형인가 혹은 정사각형인가에 따라서 부르는 이름이 약간 다른 것 같은데 그것은 넘어가도록 하자.
눈에 보이는 속도의 칼질로는 원하는 목적을 달성하기 어렵다. 약 50 kHz, 즉 1 초에 5만 번 정도의 칼질을 해야 하고 전기가 흐르는 방향도 바꾸어야 한다. 고속 스위칭이라고 해야 정확한 표현이 된다. 다음과 같이 그림을 그리면 개념을 잡기가 편하다.
311 V 정도를 고속으로 스위칭하면 트랜스포머(tr)의 양단에 155 V의 전기가 방향을 바꾸어가면 걸리게 된다. 그러면 트랜스포머의 2차측에는 권선비에 맞추어 변동된 사각파가 걸리게 될 것이다. 이를 정류하여 직류로 전환하여 사용하는 것이다. 그러나 실용적인 SMPS는 이렇게 단순하지는 않다. 고급 SMPS라면 2차의 부하에 따라서 전압이 내려가면 이를 검출하여 다시 앞단에 보내는 보상 회로가 존재한다. 그리고 2차 출력 전압에 포함된 스위칭 노이즈를 제거하기 위한 필터(코일)도 넣어주어야 한다. 또 잊어서는 안될 것은 2차측의 교류를 정류하려면 1N4007과 같은 일반 정류 다이오드를 쓰면 안된다는 것이다. 1N4007은 60 Hz 주파수에나 어울리는 물건이다. SMPS의 2차에서는 UF4007과 같은 (ultra)fast recovery rectifier를 써야 한다.
현재 게이트 드라이버 IC인 IR2153과 N-channel MOSFET IRF740(데이터시트)을 이용한 실험을 하는 중이다. 참고한 회로는 다음과 같다(링크). 참고 회로에서는 IRF840를 사용하는 것으로 되어있다.
담배갑 정도 크기의 작은 브레드보드에 회로를 꾸며서 전원을 넣으면... 가장 처음에 위치한 유리관 퓨즈에서 불이 번쩍 나먼서 끊어지고 만다. 회로에 실수가 없었다면 IC나 MOSFET가 망가진 것으로 여겨지는데, 이를 쉽게 알 수 있는 방법은 없을까? 디지털 멀티미터로 MOSFET를 점검하는 방법은 인터넷을 검색하면 나오지만, 이것으로 반도체 부품이 완전한지를 확인할 수 있는지는 자신이 없다.
형광등의 전자식 안정기를 이용하여 MOSFET가 정상임을 테스트할 수는 없을까? 아래는 예전에 직접 형광등 기구를 수리하면서 떼어낸 망가진 안정기이다.
이것도 썩 쉬운 방법은 아니다. 왜냐하면 형광등은 점등 단계, 그리고 점등 이후에 다르게 동작하기 때문이다.
생각보다 공부할 것이 많다. 구글 검색을 통해 찾은 유용한 링크를 몇 가지 소개해 본다. 이들은 전부 SMPS와 직간접적으로 연관된 것들로서, 수시로 업데이트될 것이다.
MOSFET as a Switch
[Texas Instruments] Introduction to power supplies
[Texas Instruments] Input and output capacitor selection
[Analog Devices] Practical power solutions
[Tom's Hardware] PSUs 101: a detailed look into power supplies
16 Ways to Design a Switch-Mode Power Supply
High voltage-current half bridge driver using IR2153 & IGBT
Why SMPS open fail after just a few years of service
[Digi-Key] Minimizing noise generated by switched-mode power supplies - 참고문헌도 읽어볼 것.
[DIY SMPS] Transformer winding practices for SMPS
Regulated half-bridge switching mode power supply using ATX transformer
[디바이스 매거진] 전력 전자 부품의 삼총사! SMPS / SSR / Noise filter
[한일변압기] 변압기의 기본원리
[P&L] LED Converter의 회로 방식
SMPS 회로의 핵심은 직류를 칼질(?)하여 사각파 형태의 교류를 만드는 것이라고 생각한다. 사각형의 모양이 직사각형인가 혹은 정사각형인가에 따라서 부르는 이름이 약간 다른 것 같은데 그것은 넘어가도록 하자.
눈에 보이는 속도의 칼질로는 원하는 목적을 달성하기 어렵다. 약 50 kHz, 즉 1 초에 5만 번 정도의 칼질을 해야 하고 전기가 흐르는 방향도 바꾸어야 한다. 고속 스위칭이라고 해야 정확한 표현이 된다. 다음과 같이 그림을 그리면 개념을 잡기가 편하다.
![]() |
| 나중에 알게 된 것이지만 이것은 half-bridge circuit에 해당한다. 실제 스위칭은 반도체가 담당한다. |
311 V 정도를 고속으로 스위칭하면 트랜스포머(tr)의 양단에 155 V의 전기가 방향을 바꾸어가면 걸리게 된다. 그러면 트랜스포머의 2차측에는 권선비에 맞추어 변동된 사각파가 걸리게 될 것이다. 이를 정류하여 직류로 전환하여 사용하는 것이다. 그러나 실용적인 SMPS는 이렇게 단순하지는 않다. 고급 SMPS라면 2차의 부하에 따라서 전압이 내려가면 이를 검출하여 다시 앞단에 보내는 보상 회로가 존재한다. 그리고 2차 출력 전압에 포함된 스위칭 노이즈를 제거하기 위한 필터(코일)도 넣어주어야 한다. 또 잊어서는 안될 것은 2차측의 교류를 정류하려면 1N4007과 같은 일반 정류 다이오드를 쓰면 안된다는 것이다. 1N4007은 60 Hz 주파수에나 어울리는 물건이다. SMPS의 2차에서는 UF4007과 같은 (ultra)fast recovery rectifier를 써야 한다.
현재 게이트 드라이버 IC인 IR2153과 N-channel MOSFET IRF740(데이터시트)을 이용한 실험을 하는 중이다. 참고한 회로는 다음과 같다(링크). 참고 회로에서는 IRF840를 사용하는 것으로 되어있다.
담배갑 정도 크기의 작은 브레드보드에 회로를 꾸며서 전원을 넣으면... 가장 처음에 위치한 유리관 퓨즈에서 불이 번쩍 나먼서 끊어지고 만다. 회로에 실수가 없었다면 IC나 MOSFET가 망가진 것으로 여겨지는데, 이를 쉽게 알 수 있는 방법은 없을까? 디지털 멀티미터로 MOSFET를 점검하는 방법은 인터넷을 검색하면 나오지만, 이것으로 반도체 부품이 완전한지를 확인할 수 있는지는 자신이 없다.
형광등의 전자식 안정기를 이용하여 MOSFET가 정상임을 테스트할 수는 없을까? 아래는 예전에 직접 형광등 기구를 수리하면서 떼어낸 망가진 안정기이다.
![]() |
| IRF730B가 보인다. |
이것도 썩 쉬운 방법은 아니다. 왜냐하면 형광등은 점등 단계, 그리고 점등 이후에 다르게 동작하기 때문이다.
생각보다 공부할 것이 많다. 구글 검색을 통해 찾은 유용한 링크를 몇 가지 소개해 본다. 이들은 전부 SMPS와 직간접적으로 연관된 것들로서, 수시로 업데이트될 것이다.
MOSFET as a Switch
[Texas Instruments] Introduction to power supplies
[Texas Instruments] Input and output capacitor selection
[Analog Devices] Practical power solutions
[Tom's Hardware] PSUs 101: a detailed look into power supplies
16 Ways to Design a Switch-Mode Power Supply
High voltage-current half bridge driver using IR2153 & IGBT
Why SMPS open fail after just a few years of service
[Digi-Key] Minimizing noise generated by switched-mode power supplies - 참고문헌도 읽어볼 것.
[DIY SMPS] Transformer winding practices for SMPS
Regulated half-bridge switching mode power supply using ATX transformer
[디바이스 매거진] 전력 전자 부품의 삼총사! SMPS / SSR / Noise filter
[한일변압기] 변압기의 기본원리
[P&L] LED Converter의 회로 방식
2018년 8월 9일 목요일
국가주의(國家主義)와 출연연
김병준 자유한국당 혁신비대위원장이 연일 국가주의에 대한 문제를 제기하고 있다. 언론에 따르면 '국가가 없어야 될 분야에는 국가가 있고, 국가가 있어야 할 곳에는 국가가 없는 기이한 현상이 벌어지고 있다'고 말했다고 한다(한겨레신문 링크). 모든 문제의 해결을 위해 국가가 나서는 것을 국가주의라 부르나 보다... 라고 생각했었다.
실제로 정치용어로 국가주의(國家主義, statism)이란 단어가 존재하는 줄은 미처 몰랐다. 우리말 위키백과에서 국가주의란, '국가를 가장 우월적인 조직체로 인정하고 국가 권력이 사회 정책을 통제해야 한다고 주장하는 신조'를 의미한다고 하였다.
김병준 비대위원장의 논지는 문재인 정부가 대중영합주의, 국가주의의 틀 안에서 잘못된 정책을 밀어붙인다는 것이다. 가장 최근에 벌어진 일로서 서민에게 피부에 와 닿는 문제를 예로 들어 보자. 기록적인 폭염을 견딜 수가 없어 냉방기를 켜고 싶으나 누진제 요금이 무서워서 그러질 못하니 이를 완화해 달라고 범국민적인 요구가 일고, 이에 따라서 정부에서 대책을 마련하는 모습이 그러하다.
정부출연연구소는 과학기술발전에서 국가주의가 성공했었던 대표적인 모델이었다. 그러나 대략 90년대를 넘어가면서 그 빛을 잃었다는 생각이 든다. 대학과 기업은 연구개발에서 이제 상당한 경쟁력을 갖추었다. 그러면 출연연은 어떤 미션을 수행해야 하는가? 이에 대해서는 지속된 논란에도 불구하고 아직 명확하게 합의된 것이 없어 보인다. 외부에서는 출연연을 경쟁력도 떨어지고 세금만 축내는 정체된 조직, 활기가 부족한 거대한 공룡과 같은 조직으로 보는 것 같다. '나'라고 하는 연구자 개인에게 누가 비난을 하지는 않지만, 전체적인 시각이 이렇다 보니 의욕도 떨어지고 걱정이 앞선다.
소위 PBS(연구과제중심제도)가 그렇다. 연구 과제에서 경쟁이라는 자본주의적 요소를 도입한 것이 벌써 20여 년전인 1996년이다. 당시에는 능력에 따라 연구비를 더 받아가라는 것이었겠지만 말이다. 그렇다고 해도 개인 인건비는 정해진 연봉 기준액을 넘어서 가져가지 못한다. 인센티브는 좀 더 받을 수 있었겠지만. PBS 제도란 아주 쉽게 말하자면 연구자들의 급여는 약 절반 정도만 정부에서 고정적으로 나오고 나머지는 수탁연구, 즉 외부에서 과제를 수주해야 채워지는 것이다. 외부에서는 이 사실을 모르는 사람이 많다. 심지어 출연연에 입사한 직후에도 이를 모르는 경우도 있다. 장점은 명확하다. 정부 입장에서는 고정적으로 각 기관에 나가는 경비를 줄일 수 있고, 나머지는 경쟁에 의해서 따와야 하니 효율이 더 높아지는 것(처럼 보이는 것)이다. 그리고 과제를 기획하는 일 자체가 기회이자 권력이 된다. PBS와는 조금 다른 문제이지만, 과제의 단위가 커지면서 사업단장에게 큰 파워가 주어지니 기확과 계획 및 실행 단계에서 이러한 이너 서클에 들어가기 위한 노력도 치열하다. 게다가 '과제'를 따기 위해 경쟁하는 사람들은 아주 쉽게 통제가 가능하다. 고정적으로 나가는 비용이 아니니 성과가 미흡하면 내년도에는 주지 않는다고 말하면 되니까.
이 제도를 손질해 달라는 것이 과학기술계의 지속적인 요구였다. 새 정부 들어서 이를 위해 노력을 하는 것 같더니, 최근 기사에 의하면 출연연 내부에서도 PBS 제도의 존치를 원하는 의견이 많아서 다시 처음부터 검토한다고 한다. 전자신문에 실린 기사를 보자. '정부 "PBS 폐지, 근본처방 역부족" ...원점서 개편 논의'(링크). 여론에 밀려 폐지 내지는 개편을 검토했으나 결국은 원하는 답을 얻은 것 아닐까.
PBS 제도를 완화해서 인건비를 보장해 달라는 의견은 마치 '우리는 철밥통이오~'라고 선언하는 것과 같다고 여겨진다. 그렇다. 우리는 공무원은 아니니까. 조금만 귀를 기울이면 공개적인 게시판에 '도대체 하는 일이 뭐가 있나? 없애라'하는 글을 아주 쉽게 발견할 수 있다. 아주 맥이 빠지는 일이다. 이런 상황에서 이슈를 선점하고 큰 과제를 따오는 일에 능력을 발휘하는 사람이 아니면 좋은 평가를 받기가 어렵다.
사실 이런 논의는 이미 15년쯤 전부터 있었을 것이다. '혁신', '선진화', '고도화'라는 좋은 말로 포장해서 말이다. 그럼에도 불구하고 출연연 조직은 지금까지 이어져오고 있고, 새로운 연구소가 만들어지기도 했다. 이런 분위기에 익숙한 사람들은 '그래, 밖에서 아무리 떠들고 위기니 구조조정이니 해도 어쨌든 조직은 존속한다'라는 확고한 믿음을 갖고 있는 것 같다. 이것도 옳은 태도는 아니다. 분명히 변화가 필요하고, 확고한 국민의 지지를 받고 있지 못하는 것도 사실이다. 그런데 조금 삐딱하게 생각해보면 '출연연, 투입 대비 성과 미흡..' 류의 기사가 자주 나가면서 이에 동조하는 일반인의 여론이 늘어나는 것을 이용하려는 사람들이 분명히 있다는 것이다.
참 어려운 문제이다. 국가나 나서서 과학기술을 선도해야 한다는 모델은 이제 더 이상 유효하지 않은 것일까. '게시' 버튼을 클릭할까 말까 고민을 한참 하다가 누르고 말았다.
실제로 정치용어로 국가주의(國家主義, statism)이란 단어가 존재하는 줄은 미처 몰랐다. 우리말 위키백과에서 국가주의란, '국가를 가장 우월적인 조직체로 인정하고 국가 권력이 사회 정책을 통제해야 한다고 주장하는 신조'를 의미한다고 하였다.
김병준 비대위원장의 논지는 문재인 정부가 대중영합주의, 국가주의의 틀 안에서 잘못된 정책을 밀어붙인다는 것이다. 가장 최근에 벌어진 일로서 서민에게 피부에 와 닿는 문제를 예로 들어 보자. 기록적인 폭염을 견딜 수가 없어 냉방기를 켜고 싶으나 누진제 요금이 무서워서 그러질 못하니 이를 완화해 달라고 범국민적인 요구가 일고, 이에 따라서 정부에서 대책을 마련하는 모습이 그러하다.
"상식적인 요금제라면 소득 수준에 맞게 얼마든지 전기요금을 낼 용의가 있다. 그래도 누진제는 너무 심하다. 많이 사면 물건값을 깎아주지 않나. 전기요금은 왜 반대인가?"
"우리는 에너지 자립도가 너무 낮다. 저마다 덥다고 맘대로 에어컨을 켜면 블랙아웃이 발생할지도 모른다. 더워도 좀 참고, 전기 절약을 유도하는 현행 누진제는 유지되어야 한다."사실 나도 무엇이 옳은지는 잘 모르겠다. 분명한 것은 더워도 너무 덥다는 것이다. 전지구적 기후 변동이 냉방기를 작동하는 것을 기호의 문제가 아니라 생존의 문제로 만들고 말았다.
정부출연연구소는 과학기술발전에서 국가주의가 성공했었던 대표적인 모델이었다. 그러나 대략 90년대를 넘어가면서 그 빛을 잃었다는 생각이 든다. 대학과 기업은 연구개발에서 이제 상당한 경쟁력을 갖추었다. 그러면 출연연은 어떤 미션을 수행해야 하는가? 이에 대해서는 지속된 논란에도 불구하고 아직 명확하게 합의된 것이 없어 보인다. 외부에서는 출연연을 경쟁력도 떨어지고 세금만 축내는 정체된 조직, 활기가 부족한 거대한 공룡과 같은 조직으로 보는 것 같다. '나'라고 하는 연구자 개인에게 누가 비난을 하지는 않지만, 전체적인 시각이 이렇다 보니 의욕도 떨어지고 걱정이 앞선다.
소위 PBS(연구과제중심제도)가 그렇다. 연구 과제에서 경쟁이라는 자본주의적 요소를 도입한 것이 벌써 20여 년전인 1996년이다. 당시에는 능력에 따라 연구비를 더 받아가라는 것이었겠지만 말이다. 그렇다고 해도 개인 인건비는 정해진 연봉 기준액을 넘어서 가져가지 못한다. 인센티브는 좀 더 받을 수 있었겠지만. PBS 제도란 아주 쉽게 말하자면 연구자들의 급여는 약 절반 정도만 정부에서 고정적으로 나오고 나머지는 수탁연구, 즉 외부에서 과제를 수주해야 채워지는 것이다. 외부에서는 이 사실을 모르는 사람이 많다. 심지어 출연연에 입사한 직후에도 이를 모르는 경우도 있다. 장점은 명확하다. 정부 입장에서는 고정적으로 각 기관에 나가는 경비를 줄일 수 있고, 나머지는 경쟁에 의해서 따와야 하니 효율이 더 높아지는 것(처럼 보이는 것)이다. 그리고 과제를 기획하는 일 자체가 기회이자 권력이 된다. PBS와는 조금 다른 문제이지만, 과제의 단위가 커지면서 사업단장에게 큰 파워가 주어지니 기확과 계획 및 실행 단계에서 이러한 이너 서클에 들어가기 위한 노력도 치열하다. 게다가 '과제'를 따기 위해 경쟁하는 사람들은 아주 쉽게 통제가 가능하다. 고정적으로 나가는 비용이 아니니 성과가 미흡하면 내년도에는 주지 않는다고 말하면 되니까.
이 제도를 손질해 달라는 것이 과학기술계의 지속적인 요구였다. 새 정부 들어서 이를 위해 노력을 하는 것 같더니, 최근 기사에 의하면 출연연 내부에서도 PBS 제도의 존치를 원하는 의견이 많아서 다시 처음부터 검토한다고 한다. 전자신문에 실린 기사를 보자. '정부 "PBS 폐지, 근본처방 역부족" ...원점서 개편 논의'(링크). 여론에 밀려 폐지 내지는 개편을 검토했으나 결국은 원하는 답을 얻은 것 아닐까.
PBS 제도를 완화해서 인건비를 보장해 달라는 의견은 마치 '우리는 철밥통이오~'라고 선언하는 것과 같다고 여겨진다. 그렇다. 우리는 공무원은 아니니까. 조금만 귀를 기울이면 공개적인 게시판에 '도대체 하는 일이 뭐가 있나? 없애라'하는 글을 아주 쉽게 발견할 수 있다. 아주 맥이 빠지는 일이다. 이런 상황에서 이슈를 선점하고 큰 과제를 따오는 일에 능력을 발휘하는 사람이 아니면 좋은 평가를 받기가 어렵다.
사실 이런 논의는 이미 15년쯤 전부터 있었을 것이다. '혁신', '선진화', '고도화'라는 좋은 말로 포장해서 말이다. 그럼에도 불구하고 출연연 조직은 지금까지 이어져오고 있고, 새로운 연구소가 만들어지기도 했다. 이런 분위기에 익숙한 사람들은 '그래, 밖에서 아무리 떠들고 위기니 구조조정이니 해도 어쨌든 조직은 존속한다'라는 확고한 믿음을 갖고 있는 것 같다. 이것도 옳은 태도는 아니다. 분명히 변화가 필요하고, 확고한 국민의 지지를 받고 있지 못하는 것도 사실이다. 그런데 조금 삐딱하게 생각해보면 '출연연, 투입 대비 성과 미흡..' 류의 기사가 자주 나가면서 이에 동조하는 일반인의 여론이 늘어나는 것을 이용하려는 사람들이 분명히 있다는 것이다.
인건비를 보장해 주면 연구 안하고 놀 거 아냐?나조차도 이런 '두려움'이 들지 않는 것이 아니다. 그러나 이것은 제도에 익숙해진 프레임에 갇힌 사고는 아닐까?
참 어려운 문제이다. 국가나 나서서 과학기술을 선도해야 한다는 모델은 이제 더 이상 유효하지 않은 것일까. '게시' 버튼을 클릭할까 말까 고민을 한참 하다가 누르고 말았다.
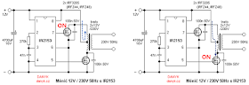
새로운 장난감, SMPS(Switched-Mode Power Supply)
지금까지 SMPS가 Switching-Mode Power Supply의 약자라고 생각했었는데 검색을 해 보니 Switched-Mode Power Supply였다. SMPS는 220 볼트 상용 전원에서 직류를 만들어내는 기기로서 주변에서 매우 흔하게 쓰인다. 워낙 쓰임새가 넓어서 중요하게 취급되고 있으며 취미 수준에서 다루는 사람도 적지 않다고 들었다. 전문가들은 일반인이 SMPS를 가지고 만지작거리는 것을 별로 좋아하지 않는다. 이론도 매우 복잡하고 또 위험하기 때문이다.
오디오 기기에서는 아직 SMPS를 별로 좋아하지 않는 분위기이다. 왜냐하면 약 50 kHz의 주파수의 사각파를 발생시키는 과정에서 노이즈가 만들어지기 때문이다. 이것이 가청 주파수 내의 노이즈로까지 연결되느냐 아니냐는 논란의 여지가 있다. 아직 경험이 별로 없는 나는 '실용상으로는 별 문제가 없을 것'이라는 기대를 갖고 있다.
SMPS를 진공관 앰프의 B 전원으로 사용하려는 시도가 없었던 것은 아니다. 최근에 ebay에서 이러한 용도의 물건을 하나 주문했다가 취소하고 환불을 요청하였었다(제품 사진은 여기에). 일반 우편으로 배송하는 과정에서 중국우정국의 safety check를 통과하지 못했다고 한다. 이러한 과정을 제이앨범에 올렸더니 친절한 한 회원께서 직접 만든 SMPS를 선물로 보내준 것이다.
이 일의 시작은 낡은 전구형 형광등(컴팩트 형광등, CFL)에 들어있는 전원장치를 개조하여 거의 돈을 들이지 않고 원하는 직류 전원을 얻을 수 있었다는 어느 DIYer의 실험에서 비롯되었다. 아래의 링크는 전부 회원님의 수고 덕분에 알게 된 곳이다.
Simplest SMPS power supply ever - efficient and powerful - from an old CFL
Compact Fluorescent Lamp (CFL) 회로 정보
나에게 선물을 보내주신 회원께서는 이를 바탕으로 다음 stoneaudio 카페(링크)에 상세한 제작기를 올렸었다. '진공관 1개로 만드는 저렴한 네오하브앰프'라는 제목의 시리즈물로 올라와 있으니 상세한 과정은 검색해 보면 된다. 회원께서는 이렇게 CFL을 개조하여 만든 잘 동작하는 SMPS 하나와 IR2135라는 반도체 칩을 이용하여 직접 만들 수 있는 부품 세트(기판 및 페라이트 트랜스 포함)을 보내주신 것이다. IRF840이라는 power MOSFET도 중요한 역할을 한다. IR2135를 이용한 회로의 원본은 여기에 있다. 체코어로 작성된 것이라서 구글 번역기를 돌려야 한다. 좀 더 검색을 했더니 원본 작성자인 Dan이 영어로 번역하며 만든 페이지도 있었다(링크). Dan은 자신의 저작물을 계속 영어로 번역하는 일을 진행 중인데, 이제 갓 서른살을 넘긴 젊은이로서 그 활동이 대단하다. 영어로 작성된 Electronic schematics and instructions 페이지를 방문해 보라!
다음에 소개한 링크는 내가 직접 찾은 것으로 만드는 과정도 친절하게 설명하고 있다. 위에서 소개한 회로와 거의 같다.
SMPS 2 x 50V 350W for Audio Power Amplifiers
아주 간단하게 그 원리를 설명해 보자. 220 볼트의 교류 상용전원을 먼저 그대로 정류하여 300 볼트 이상의 고전압 직류를 얻는다. 이를 50 kHz 정도의 사각파(펄스)로 전환하여 트랜스의 1차에 가한다. 주파수가 워낙 높으므로 철을 재료로 하는 일반적인 트랜스포머를 쓰지는 못한다. 기억해 둘 것은 두 가지이다. 트랜스에는 고주파(가청 주파수를 초과한다는 의미에서)가 공급되고, 그 모양은 사각파(square wave)라는 것이다. 가정용 전원에서 접하는 사인파가 아니라는 것이다!
Simple Switched Power Supply (간단한 그림과 설명 및 다양한 회로 소개)
웹에서 찾은 다음 그림이 SMPS의 구조를 아주 간단하게 설명하고 있다.
트랜스의 권선비에 따라서 2차 전압이 결정되고, 이는 적절한 정류회로를 거쳐서 최종적으로 원하는 직류가 얻어진다. 내가 받은 완성품은 무려 300 와트를 출력할 수 있는 트랜스가 감겨져 있다. 2차는 겨우 18번 - 센터 - 18 번을 감은 것에 불과한데, 이를 양파정류하여 31 V 정도가 나온다. 만약 더욱 높은 전압을 원한다면 2차 권선을 더 감으면 된다. 그러나 실제로는 감았다 풀었다를 반복하여 원하는 전압이 나오도록 조정해야 한다. 이 과정이 그렇게 까다롭지 않다는 것에 매력이 있다.
이것이 전부는 아니다. 반도체 소자가 어떤 이유로 망가져서 도통 상태가 되면 2차측에 위험한 고전압이 나올 수도 있다. 그리고 제대로 만들어진 SMPS라는 부하에 의해 최종 전압이 변했을 때 이를 감지하여 포토커플러를 통해 다시 앞쪽 회로로 피드백하여 보상하도록 설계가 되어있다고 한다. 이런 사항을 전부 생략한 것이니 선물로 받는 회로를 활용하려면 상당한 주의를 기울여야 한다. 어제 설레는 마음으로 전원을 넣었더니 유리관 안에 들어있던 퓨즈가 빛을 내면서 순식간에 끊어지고 말았다. 마침 갖고 있는 것으로 대체를 하여 작동하는 것을 확인했지만, 이런 일이 벌어지지 않게 대책을 마련하는 것이 필요하다. 아마 대용량 캐패시터가 충전되면서 높은 돌입전류가 흘러서 그런 것이 아닐까 한다. 이를 막기 위하여 파워 서미스터를 삽입하는 것을 고려 중이다. 망가진 PC 파워 서플라이에서 떼어내 재활용할 수 있다.
SMPS의 원리는 아주 초보적인 수준으로 이해했는데, 형광등 점등회로(전자식 안정기)의 이론은 더 어렵다!
이 선물을 가지고 해야 할 숙제는 히터용 전압(6.3 V, 12.6 V)을 만들어 보는 것, 그리고 250 V ~ 330 V 수준의 B 전압을 만들었을 때 무난하게 진공관 앰프를 구동할 수 없는지 알아보는 것이다.
오디오 기기에서는 아직 SMPS를 별로 좋아하지 않는 분위기이다. 왜냐하면 약 50 kHz의 주파수의 사각파를 발생시키는 과정에서 노이즈가 만들어지기 때문이다. 이것이 가청 주파수 내의 노이즈로까지 연결되느냐 아니냐는 논란의 여지가 있다. 아직 경험이 별로 없는 나는 '실용상으로는 별 문제가 없을 것'이라는 기대를 갖고 있다.
SMPS를 진공관 앰프의 B 전원으로 사용하려는 시도가 없었던 것은 아니다. 최근에 ebay에서 이러한 용도의 물건을 하나 주문했다가 취소하고 환불을 요청하였었다(제품 사진은 여기에). 일반 우편으로 배송하는 과정에서 중국우정국의 safety check를 통과하지 못했다고 한다. 이러한 과정을 제이앨범에 올렸더니 친절한 한 회원께서 직접 만든 SMPS를 선물로 보내준 것이다.
![]() |
| 주황색 점선 네모 안의 것은 전구형 형광등을 분해하여 개조한 것이다. 아래에 보인 손으로 그린 회로도는 약간의 오류가 있는 것으로 보인다. 두 MOSFET의 드레인-소스를 연결한 지점은 IR2153의 6번 핀(VS)으로 이어져야 한다. |
이 일의 시작은 낡은 전구형 형광등(컴팩트 형광등, CFL)에 들어있는 전원장치를 개조하여 거의 돈을 들이지 않고 원하는 직류 전원을 얻을 수 있었다는 어느 DIYer의 실험에서 비롯되었다. 아래의 링크는 전부 회원님의 수고 덕분에 알게 된 곳이다.
Simplest SMPS power supply ever - efficient and powerful - from an old CFL
Compact Fluorescent Lamp (CFL) 회로 정보
나에게 선물을 보내주신 회원께서는 이를 바탕으로 다음 stoneaudio 카페(링크)에 상세한 제작기를 올렸었다. '진공관 1개로 만드는 저렴한 네오하브앰프'라는 제목의 시리즈물로 올라와 있으니 상세한 과정은 검색해 보면 된다. 회원께서는 이렇게 CFL을 개조하여 만든 잘 동작하는 SMPS 하나와 IR2135라는 반도체 칩을 이용하여 직접 만들 수 있는 부품 세트(기판 및 페라이트 트랜스 포함)을 보내주신 것이다. IRF840이라는 power MOSFET도 중요한 역할을 한다. IR2135를 이용한 회로의 원본은 여기에 있다. 체코어로 작성된 것이라서 구글 번역기를 돌려야 한다. 좀 더 검색을 했더니 원본 작성자인 Dan이 영어로 번역하며 만든 페이지도 있었다(링크). Dan은 자신의 저작물을 계속 영어로 번역하는 일을 진행 중인데, 이제 갓 서른살을 넘긴 젊은이로서 그 활동이 대단하다. 영어로 작성된 Electronic schematics and instructions 페이지를 방문해 보라!
![]() |
| SMPS 2 x 35V 2 x 5A 250W |
다음에 소개한 링크는 내가 직접 찾은 것으로 만드는 과정도 친절하게 설명하고 있다. 위에서 소개한 회로와 거의 같다.
SMPS 2 x 50V 350W for Audio Power Amplifiers
![]() |
| 바로 위에서 소개한 체코 사이트의 회로도와 같다. |
![]() |
| 같은 웹사이트에 소개된 Ike Mhlanga의 좀 더 진보한 버전. 아래에서 설명할 보상 회로가 부가되었다. |
만약 완제품 SMPS를 ebay에서 성공적으로 구입했더라면 SMPS의 원리, 그리고 내가 원하는 전압을 어떻게 얻는지에 대한 정보를 얻으려는 생각을 전혀 하지 않았을 것이다. 그러나 이 선물로 말미암아 뜻하지 않게 새로운 분야를 파고들게 되었다. 사실 SMPS는 매우 까다로운 분야이고 위험하기까지 하므로 여간 조심해서 다루지 않으면 안된다.
아주 간단하게 그 원리를 설명해 보자. 220 볼트의 교류 상용전원을 먼저 그대로 정류하여 300 볼트 이상의 고전압 직류를 얻는다. 이를 50 kHz 정도의 사각파(펄스)로 전환하여 트랜스의 1차에 가한다. 주파수가 워낙 높으므로 철을 재료로 하는 일반적인 트랜스포머를 쓰지는 못한다. 기억해 둘 것은 두 가지이다. 트랜스에는 고주파(가청 주파수를 초과한다는 의미에서)가 공급되고, 그 모양은 사각파(square wave)라는 것이다. 가정용 전원에서 접하는 사인파가 아니라는 것이다!
Simple Switched Power Supply (간단한 그림과 설명 및 다양한 회로 소개)
웹에서 찾은 다음 그림이 SMPS의 구조를 아주 간단하게 설명하고 있다.
![]() |
| 출처: https://www.tutorialspoint.com/electronic_circuits/electronic_circuits_smps.htm |
트랜스의 권선비에 따라서 2차 전압이 결정되고, 이는 적절한 정류회로를 거쳐서 최종적으로 원하는 직류가 얻어진다. 내가 받은 완성품은 무려 300 와트를 출력할 수 있는 트랜스가 감겨져 있다. 2차는 겨우 18번 - 센터 - 18 번을 감은 것에 불과한데, 이를 양파정류하여 31 V 정도가 나온다. 만약 더욱 높은 전압을 원한다면 2차 권선을 더 감으면 된다. 그러나 실제로는 감았다 풀었다를 반복하여 원하는 전압이 나오도록 조정해야 한다. 이 과정이 그렇게 까다롭지 않다는 것에 매력이 있다.
이것이 전부는 아니다. 반도체 소자가 어떤 이유로 망가져서 도통 상태가 되면 2차측에 위험한 고전압이 나올 수도 있다. 그리고 제대로 만들어진 SMPS라는 부하에 의해 최종 전압이 변했을 때 이를 감지하여 포토커플러를 통해 다시 앞쪽 회로로 피드백하여 보상하도록 설계가 되어있다고 한다. 이런 사항을 전부 생략한 것이니 선물로 받는 회로를 활용하려면 상당한 주의를 기울여야 한다. 어제 설레는 마음으로 전원을 넣었더니 유리관 안에 들어있던 퓨즈가 빛을 내면서 순식간에 끊어지고 말았다. 마침 갖고 있는 것으로 대체를 하여 작동하는 것을 확인했지만, 이런 일이 벌어지지 않게 대책을 마련하는 것이 필요하다. 아마 대용량 캐패시터가 충전되면서 높은 돌입전류가 흘러서 그런 것이 아닐까 한다. 이를 막기 위하여 파워 서미스터를 삽입하는 것을 고려 중이다. 망가진 PC 파워 서플라이에서 떼어내 재활용할 수 있다.
SMPS의 원리는 아주 초보적인 수준으로 이해했는데, 형광등 점등회로(전자식 안정기)의 이론은 더 어렵다!
이 선물을 가지고 해야 할 숙제는 히터용 전압(6.3 V, 12.6 V)을 만들어 보는 것, 그리고 250 V ~ 330 V 수준의 B 전압을 만들었을 때 무난하게 진공관 앰프를 구동할 수 없는지 알아보는 것이다.
2018년 8월 10일 추가한 글
벌써 MOSFET을 망가뜨린 것 같다. 디지털 멀티미터를 이용하여 MOSFET을 점검하는 간단한 방법이 있어서 소개한다. MOSFET의 작동 원리를 이해해 보려 했다가 너무 복잡하여 일단 덮어두었다!
IGBT, 모스펫 테스트 방법
다음 그림과 같이 게이트(G), 드레인(D) 및 싱크(S)에 각각 1, 2, 3번이라는 번호를 붙인다.
테스트 방법은 이러하다. 디지털 멀티미터는 다이오드 체크 기능으로 전환해 둔다.
다음 그림과 같이 게이트(G), 드레인(D) 및 싱크(S)에 각각 1, 2, 3번이라는 번호를 붙인다.
![]() |
| IRF740의 데이터시트 일부. |
- 1번과 3번 핀을 단락시킨다(혹은 전체를 단락시킨다).
- 2번과 3번에 각각 테스터봉 빨강과 검정을 댄다. '1'이 나오면 정상이다(테스터봉을 반대로 대면 내부에 있는 다이오드에 의해 저항값이 읽혀야 한다). 다시 말하자면 이 단계에서는 S-D 사이에 내장된 다이오드가 정상인지를 점검하는 것이다.
- 1과 3에 각각 테스터봉 빨강과 검정을 대서 충전을 시킨다. 값은 '1'이 나온다.
- 다시 2와 3에 테스터봉을 댔을 때 저항값이 나오면 정상이다(본문에서는 사진과 달리 1과 3에 테스터봉을 대라고 했다. 잘못 적은 것 같다).
망가진 반도체는 저항이 없는 것처럼, 즉 단락된 것처럼 작동한다. 이것을 기억하면 편하다.
2018년 8월 4일 토요일
도심 대전천에서 물놀이?
기록적인 폭염이 약 20 일째 지속되고 있다. 뉴스에 의하면 앞으로도 최소한 열흘 이상 더 계속될 것이라 한다. 집에서 이렇게 에어컨을 자주 틀어놓은 여름도 이번이 처음이다. 8월 말에 고지될 전기요금이 매우 걱정스럽다.
아내와 나는 대전 구도심 나들이를 자주 하는 편이다. 대전천변의 공터에 차를 세워놓고 중앙시장부터 으능정이 거리, 멀게는 대전여중 근처까지도 걸어서 돌아다니고는 한다. 내가 차를 세우는 무료주차장에서 으능정이 거리 입구까지는 무려 731 미터이고 NC몰까지는 거의 1 km나 된다. 뚜벅이 스타일의 남편을 따라서 별 불만없이 잘 걸어다니는 아내가 고맙기만 하다. 이러한 아내에게 주는 작은 선물은 성심당 케익부띠끄에 들러서 커피와 케익 한 조각을 놓고 사진을 찍는 것. 롯데백화점에 있는 성심당을 포함하면 거의 일주일에 한 번은 방문하는 셈이니 나중에 이 사진을 늘어놓고 지나온 시절을 추억하는 것도 즐거운 일이 될 것이다.
폭염이 기승을 부리면서 비도 거의 내리지 않아서 대전천의 물은 많이 줄어 있었다. 보통때 같으면 징검다리를 이루는 바윗돌들을 물이 휘감아 흐르겠지만 요즘은 그렇질 못한 상태이다. 수질도 별로 좋지 않아 혼탁하고 냄새도 좀 나는 편이다. 며칠 전 평소대로 으능정이 거리에서 시간을 보낸 뒤 초저녁 무렵이 되어서 대전천변을 걸어서 주차장으로 향하고 있었다. 5시가 훨씬 지난 시각이라 햇볕은 약해졌지만 후끈한 기운은 여전하였다. 선화교 근처의 징검다리(대략적인 좌표는 36°19'55.6"N 127°25'34.7"E)를 건너려는 순간, 놀라운 광경을 목격하였다. 어떤 어르신이 손자로 생각되는 두세살 정도의 아이를 안고서 물 속에 앉아계신 것이 아닌가? 어르신에게는 앉은 상태로 허리춤 조금 위까지 차는 깊이의 물이라 해도 아이는 거의 온몸이 잠길 수준이었다.
아내와 나는 대전 구도심 나들이를 자주 하는 편이다. 대전천변의 공터에 차를 세워놓고 중앙시장부터 으능정이 거리, 멀게는 대전여중 근처까지도 걸어서 돌아다니고는 한다. 내가 차를 세우는 무료주차장에서 으능정이 거리 입구까지는 무려 731 미터이고 NC몰까지는 거의 1 km나 된다. 뚜벅이 스타일의 남편을 따라서 별 불만없이 잘 걸어다니는 아내가 고맙기만 하다. 이러한 아내에게 주는 작은 선물은 성심당 케익부띠끄에 들러서 커피와 케익 한 조각을 놓고 사진을 찍는 것. 롯데백화점에 있는 성심당을 포함하면 거의 일주일에 한 번은 방문하는 셈이니 나중에 이 사진을 늘어놓고 지나온 시절을 추억하는 것도 즐거운 일이 될 것이다.
| 오늘따라 강하게 초상권을 주장하는 아내 때문에 얼굴이 나온 사진을 올리지 못하였다. |
대전천의 수질이 아무리 좋아졌다고 해도 목척교-선화교 구간에서 물놀이를 할만한 수준은 결코 아닐 것이다. 발목을 담그기에도 꺼려질 수준의 물에서 몸을 담그다니? 어른이야 아무리 조심을 한다 해도 아이는 물에 젖은 손을 쉽게 입으로 가져갈 것이다.
더위를 견디지 못한 노숙자가 대전천에 잠시 들어갔다면 이해를 하겠다. 그런데 노숙자에게 손자가 있을것 같지는 않다. 아마도 인근 주민이 아닐까 싶다. 차라리 제대로 만들어진 분수대가 있었더라면 구도심을 지나는 사람 모두가 위생 걱정 없이 더위를 식힐 수 있지 않았을까?
구도심을 살린다고 흉물스런 조형물을 만들고 부실한 관리로 비난을 받는 현실이 안타깝다. 보여주기식이 아닌 시민과 방문객 모두에게 필요한 시설을 만드는데는 그렇게 많은 돈이 들지 않을텐데 말이다.
[대전MBC뉴스] 대전 명물 '목척교' 엉망(무려 4년 전에 게시된 동영상. 지금은 더 나아진 것도 없다)
수백억 들인 도심 하천 흉물로 전락/KBS 뉴스(2018년 7월 10일 게시)
2018년 8월 2일 목요일
파커 IM Premium Vacumatic 만년필의 잉크 마름 현상 해결하기
작년 11월 무렵에 파커 IM Premium Vacumatic Pink 만년필을 구입한 적이 있다(당시 글 링크). 나로서는 꽤 심사숙고한 끝에 구입한 것이었는데 캡을 닫아두어도 얼마나 잉크가 잘 마르는지 얼마 쓰지 못하고 서랍에 처박히는 신세가 되고 말았다. 저녁때까지 잘 쓰고 캡을 닫아 보관했다가 다음날 아침에 다시 글씨를 쓰려면 잉크가 말라서 도대체 나오지를 않는 것이다. 그 이후로는 파커 벡터 스탠다드를 손에 잘 맞지 않음에도 불구하고 펜을 쥐는 습관을 바꾸어 가면서 최근까지 사용해 왔다. 만년필은 아무리 캡을 닫아 두어도 매일 조금씩이라도 쓰지 않으면 잉크가 잘 마르지만, 벡터 스탠다드는 며칠 동안 쓰지 않아도 거침없이 잉크가 잘 나왔다. 그런데 이윽고 배럴에 금이 가고 말았다. 배럴을 돌리면 꽉 잠기지를 않고 '톡' 소리와 함께 또 돌아간다. 꽤 오래전에 쓴 파커 Jotter 역시 수년간 사용한 뒤에는 배럴에 금이 가고 말았다.
IM Premium Vacumatic은 왜 이렇게 잉크가 잘 마르는 것일까? 캡을 입으로 물고 바람을 불어보면 아무 저항감이 없이 술술 나온다. 처음에는 아래 사진에서 보였듯이 캡을 구성하는 부품의 틈새(빨강 화살표)에서 바람이 샌다고 생각을 했었다. 순간접착제를 바르고, 매니큐어를 발라보고, 목공 마감용 바니쉬와 목공용 본드 등 주변에 있는 별의 별 재료를 다 발라 보았는데도 여전히 바람이 새는 것이었다. 물을 담은 컵에 캡의 끝을 담그고 입으로 불면 얼마나 세차게 바람이 나오는지 도대체 그 새는 위치를 알 수가 없었다.
IM Premium Vacumatic은 왜 이렇게 잉크가 잘 마르는 것일까? 캡을 입으로 물고 바람을 불어보면 아무 저항감이 없이 술술 나온다. 처음에는 아래 사진에서 보였듯이 캡을 구성하는 부품의 틈새(빨강 화살표)에서 바람이 샌다고 생각을 했었다. 순간접착제를 바르고, 매니큐어를 발라보고, 목공 마감용 바니쉬와 목공용 본드 등 주변에 있는 별의 별 재료를 다 발라 보았는데도 여전히 바람이 새는 것이었다. 물을 담은 컵에 캡의 끝을 담그고 입으로 불면 얼마나 세차게 바람이 나오는지 도대체 그 새는 위치를 알 수가 없었다.
그런데 오늘 충격적인 사실을 발견하였다. 사진에서 초록색 네모로 표시한 부분, 그러니까 클립으로 가려진 부분 아래에 길쭉한 구멍이 있는 것 아닌가? 도대체 왜 이렇게 큰 구멍이 뚫려있는 것인가? 이런 상태라면 캡을 아무리 닫아도 소용이 없지 않나? 만년필 잉크가 휘발하여 폭발성 기체로 바뀌는 것도 아닌데 왜 이런 구멍을 만든 것인가? 이러니 아무리 캡을 닫아도 잉크가 마르는 것이 당연하지 않은가? 클립 고정용 구멍을 잘못 뚫은 불량캡을 그대로 조립한 뒤 검수를 제대로 하지 않은 것인가, 혹은 다른 부품으로 막았어야 하는데 실수로 이를 빼먹은 것인가? 아니면 무슨 특별한 이유가 있어서 그런 것인가? 혹은 정상 제품은 이런 구멍이 없어야 하나?
구글 검색을 해 보았다. 놀랍게도 클립 안쪽에 구멍이 있는 모델은 또 있었다. 파커 45가 그러하다. 캡을 여닫을 때 생기는 내부의 공기 압력을 배출하기 위한 것으로 생각되는데 - 그러면 여닫기가 편해지고 잉크가 역류하거나 밀리는 것을 막기 위함이라고 한다 - 아무리 그래도 다음날 뚜껑을 열었는데 잉크가 말라서 글씨가 써지지 않는다면 말이 되는가?
| 출처: Tick Talk(링크) |
일단은 3M 매직 테이프를 작게 잘라서 붙여놓았다. 보기에는 좋지 않지만 잉크 마름은 한결 덜하다. 괜히 이것저것 발라서 말렸다가 다시 벗겨내느라 상처만 남았다.
지금까지 몇 개의 중저가 만년필을 써 보았다. 가격 대비 성능비가 가장 높았던 것은 사실상 일회용 만년필인 '프레피'였고, 워터맨 Phileas도 필기감, 손에 잡히는 느낌, 잉크 흐름, 디자인 등 모든 면이 좋았다. 그러나 Phileas는 배럴 내부에 둥근 금속 링이 들어있어서 표준 카트리지를 넣을 수가 없고 약간 갸름한 워커맨 전용만을 써야 한다. 약간 뻑뻑하지만 펠리칸 카드리지도 들어가기는 한다. 내가 사용해 본 만년필에서 접한 문제점들을 나열하면 다음과 같다.
- 도장 벗겨짐 - 자바펜 '아모레스', 피에르 가르댕 '리브라'
- 만년필촉의 나사산 부분이 부러짐 - 자바펜 '아모레스'
- 배럴의 나사 부위에 금이 감 - 파커 '벡터 스탠다드', '조터'
- 과도한 잉크 마름 - 파커 'IM Premium Vacumatic Pink', 플래티그넘 '스튜디오'
약간의 비용을 투자하더라도 다음에는 좀 더 좋은 품질의 만년필을 선택해야만 되겠다.
Emerson Lake & Palmer - Knife-Edge
KBS Classic FM의 'FM 실황음악'을 듣고 있었다(2018년 8월 2일 선곡표). 익숙한 곡인 쇼스타코비치의 첼로 협주곡 1번과 바흐의 무반주 첼로 모음곡 4번 Sarabande에 이어서 야나첵의 Sinfonietta라는 곡이 나온다는 안내 멘트가 있었다. 야나첵(Leos Janácek, 1854-1928)은 내가 비교적 최근에 알게 된 체코 출신의 작곡가이다.
그런데 굉장히 낯익은 멜로디가 흘러나온다. 이것은 Emerson, Lake & Palmer in Concert(1979년 발매) 앨범의 1면 마지막 곡인 "Knife Edge"가 아닌가?
80년대에 막 중학생이 되어서 팝음악에 매료되기 시작했을 때, 동네 음반점에서 구입했던 해적판 LP(당시에는 "빽판"이라고 불렀다) 중 하나가 바로 이것이었다. 이 앨범은 1977년 캐나다 몬트리올의 올림픽 경기장에서 있었던 공연실황을 녹음한 것이라 한다. 1976년 몬트리올 올림픽에서 레슬링의 양정모 선수가 우리나라 최초로 금메달을 땄던 것이 뚜렷하게 기억난다. 무소르그스키의 <전람회의 그림>도 이 앨범을 통해서 처음 들었다. 이 앨범에서 내가 가장 좋아했던 곡은 첫곡인 <Introductory Fanfare>로 시작하여 헨리 맨시니 작곡의 <Peter Gunn>과 바로 다음 곡인 <Tiger in a Spotlight>였다. 우리나라에서는 보통 발라드에 가까운 의 인기가 더 높은 것 같지만 말이다.
그런데 굉장히 낯익은 멜로디가 흘러나온다. 이것은 Emerson, Lake & Palmer in Concert(1979년 발매) 앨범의 1면 마지막 곡인 "Knife Edge"
![]() |
| 출처: 위키피디아 |
Ladies and gentlemen, Emerson, Lake and Palmer! (뒤이어 스네어 드럼을 두드리는 '텅!' 소리와 함께연주가 시작된다.)
레드 제플린, 퀸, 딥 퍼플, 포리너, 스콜피온스, 핑크 플로이드의 음악을 이런 해적판으로 들었었다. 그 다음으로 옮겨간 매체는 카세트 테이프였다.
다음은 유튜브에서 찾은 1970년도 스위스 공연 실황이다. 신들린 듯한 모습으로 키보드를 연주하던 키스 에머슨은 2016년에 작고하였다. 내가 Rock organ 또는 synthesizer를 꼭 치고 싶다는 욕심을 갖게 만들었던 딥 퍼플의 존 로드 역시 2012년에 세상을 떠났다. 그리고.. 나에게 가장 큰 영향을 미친 기타리스트는 안드레스 세고비아, 나르시소 예페스, 줄리언 브림, 존 윌리엄스가 아니라 <제프 벡>이다!
그러면 야나첵의 "신포니에타"를 들어보자.
글을 마무리하면서 지금 듣는 것은 1969년에 발매된 제프 벡 그룹의 두번째 앨범인 Beck-Ola(링크). 20대 중반 로드 스튜어트의 걸쭉한 목소리에 빠져보자.






































